Размер шрифта
Цвет фона и шрифта
Изображения
Озвучивание текста
Обычная версия сайта
Сайт nial.group
Металлопрокат
Специальные стали
Металлоконструкции
+7 812 467-99-88
Режим работы
Пн. – Пт.: с 9:00 до 18:00
+7 812 467-99-88 Офис СПБ
Заказать звонок
E-mail
info@nial.group
Адрес
г. Санкт-Петербург, пр. Обуховской Обороны, д. 112, БЦ Вант, офис 224А
Режим работы
Пн. – Пт.: с 9:00 до 18:00
info@nial.group
Каталог металлопродукции
  • Круг металлический
    • Автоматный круг
    • Быстрорежущий круг
    • Валковый круг
    • Жаропрочный круг
    • Круги из сплавов
    • Круги калиброванные
    • Круги цветных металлов
    • Низколегированный круг
    • Подшипниковый круг
    • Рессорно-пружинный круг
    • Стальной круг
    • Чугунный круг
    • Штамповой круг
    • Электротехнический круг
  • Металлический лист
    • Асбест листовой
    • Листовая сталь
    • Листы из сплавов
    • Листы износостойкие
    • Листы полимерные
    • Листы цветных металлов
    • Хризотилцементные листы (шифер)
    • Чугунный лист
  • Металлоконструкции
    • Мачты освещения и молниеотводы
    • Металлоконструкции по чертежу
    • Опоры контактной сети железных дорог
    • Опоры ЛЭП
    • Опоры освещения
    • Порталы ОРУ
    • Складские и логистические
    • Строительные
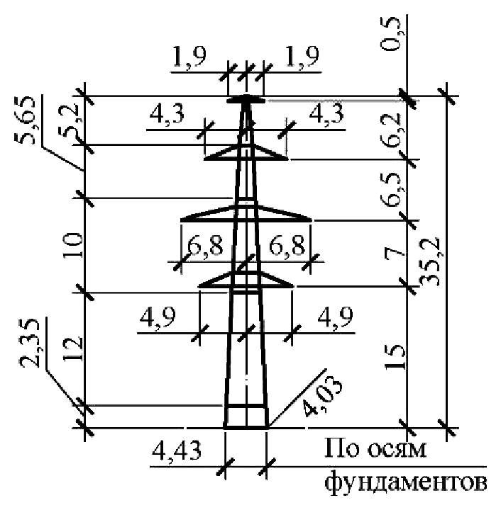
    • Фундаменты опор ЛЭП
  • Метизы
    • Болты БСР ГОСТ 28778-90
    • Болты высокопрочные ГОСТ Р 52644-2006 (ГОСТ 22353-77)
    • Гайки высокопрочные ГОСТ Р 52645-2006 (ГОСТ 22354-77)
    • Гайки по ГОСТ и DIN
    • Шайбы высокопрочные ГОСТ Р 52646-2006 (ГОСТ 22355-77)
    • Шайбы ГОСТ и DIN
    • Шпильки
    • Шпильки резьбовые собственного производства
  • Сетки
    • Декоративные сетки
    • Каркасы, сетки по чертежу
    • Сетка из цветных металлов
    • Сетка металлическая
    • Сетка нержавеющая
    • Сетки из стали
  • Сталь
    • Арматура в бухтах
    • Арматура в прутках
    • Биметаллическая проволока
    • Двутавровые балки
    • Инструментальная сталь
    • Листовая сталь
    • Нержавеющий прокат
    • Оцинкованная сталь
    • Прокат из конструкционных сталей
    • Стальной трос
    • Стальные профили
    • Стальные фитинги
    • Судостроительная сталь
    • Центраторы колонн
  • Трубы
    • Асбестовая труба (асбестоцементная)
    • Биметаллическая оребренная труба
    • Биметаллические трубы
    • Жаропрочные трубы
    • Колонковая труба
    • Конструкционная труба
    • Котельная труба
    • Крекинговая труба
    • Магистральная труба
    • Обсадная труба
    • Прецизионная труба
    • Реакционные трубы
    • Стальная бесшовная труба
    • Стальная бурильная труба
    • Стальная газлифтная труба
    • Стальная газовая труба
    • Стальная гофрированная труба
    • Стальная нефтяная труба
    • Стальная овальная труба
    • Стальная оребренная труба
    • Стальная плоскоовальная труба
    • Стальная профильная труба
    • Стальная прямоугольная труба
    • Стальная труба в ППМ изоляции
    • Стальная труба круглая
    • Стальная труба отопления
    • Стальная электросварная труба
    • Труба в ВУС изоляции
    • Труба в ППУ изоляции
    • Труба НКБ
    • Труба НКВ
    • Труба НКМ
    • Труба НКТ
    • Труба сварная
    • Труба стальная квадратная
    • Труба ЦПП
    • Хромированная труба
    • Цельнотянутая труба
  • Цветные металлы
    • Алюминиевый прокат
    • Бронзовый прокат
    • Гафний
    • Латунный прокат
    • Медный прокат
    • Цинковый прокат
    • Цирконий
  • Чугун
    • Гидранты пожарные чугунные
    • Дождеприемники чугунные
    • Чугунная водосточная воронка
    • Чугунная дробь
    • Чугунная плита
    • Чугунные консоли
    • Чугунные тигли
    • Чугунные трубы
    • Чугунные фитинги
    • Чугунный пруток
    • Чушка чугунная
  • Благородные металлы
    • Аноды золотые
    • Аноды из палладия
    • Иридиевая проволока
    • Иридиевые слитки
    • Серебро в гранулах
    • Фольга из иридия
    • Фольга из родия
    • Фольга серебро
  • Закладные детали
    • Анкерная группа
    • Закладные детали по сериям
    • Закладные детали по чертежу
    • Закладные изделия МН
    • Пластины и косынки
  • Полимеры
    • Асботекстолит
    • Безасбестовый картон
    • Гетинакс
    • Дюростон
    • Калибровочный воск
    • Капролон
    • Картон
    • Конструкционный пластик
    • Лакоткань
    • Лист пенопласта
    • Оргстекло
    • Паронит
    • ПВХ (поливинилхлорид)
    • Пластиковый стержень
    • Поликарбонат
    • Полимерные фитинги
    • Полипропилен
    • Полиэтилентерефталат
    • Синтофлекс
    • Слопласт
    • Слюдопласт
    • Стеклолакоткань
    • Стекломиканит
    • Стеклопластик
    • Стеклотекстолит
    • Стеклоткань рулонная
    • Фторлакоткань
    • Эбонит
    • Эмаль
  • Оборудование
    • Вентиляционное оборудование
    • Горнодобывающее оборудование
    • Детали оборудования
    • Дробильно-размольное оборудование
    • Машиностроение
    • Насосы
    • Оборудование для канализации
    • Оборудование для литейного производства
    • Отопительное оборудование
    • Сварочное оборудование
    • Счетчики газа
    • Электротехническое оборудование
  • Редкоземельные металлы
    • Гадолиний
    • Диспрозий
    • Европий
    • Индий
    • Иттербий
    • Иттрий
    • Церий
    • Эрбий
  • Сплавы
    • Прецизионные сплавы
    • Ферросплавы
  • Реактивы
    • Кислоты
    • Оксиды
    • Органические соединения
    • Особо чистые вещества
    • Соли
    • Фреон
    • Щёлочи
  • Композиты
    • Алюминиевые композитные листы
    • Арамид (кевлар)
    • Графитовый стержень
    • Изофлекс
    • Компаунды
    • Композитный решетчатый настил
    • Лавитерм
    • Преформы
    • Углеродное волокно
    • Углеродные нити
Услуги
Доставка
Оплата
Компания
  • О компании
  • ГОСТы
  • Сертификаты
  • Производители
  • Партнеры
  • Вакансии
  • Реквизиты
  • Благодарности
Галерея
Контакты
Статьи
Санкт-Петербург
Санкт-Петербург
Москва
Санкт-Петербург
Санкт-Петербург
Москва
г. Санкт-Петербург, пр. Обуховской Обороны, д. 112, БЦ Вант, офис 224А
+7 812 467-99-88
Режим работы
Пн. – Пт.: с 9:00 до 18:00
+7 812 467-99-88 Офис СПБ
Заказать звонок
E-mail
info@nial.group
Адрес
г. Санкт-Петербург, пр. Обуховской Обороны, д. 112, БЦ Вант, офис 224А
Режим работы
Пн. – Пт.: с 9:00 до 18:00
Заказать звонок
info@nial.group
Войти
Сайт nial.group
Каталог металлопродукции

Каталог

Круг металлический →
Металлический лист →
Металлоконструкции →
Метизы →
Сетки →
Сталь →
Трубы →
Цветные металлы →
Чугун →
Благородные металлы →
Закладные детали →
Полимеры →
Оборудование →
Редкоземельные металлы →
Сплавы →
Реактивы →
Композиты →

Круг металлический

Автоматный круг →
Быстрорежущий круг →
Валковый круг →
Жаропрочный круг →
Круги из сплавов →
Круги калиброванные →
Круги цветных металлов →
Низколегированный круг →
Подшипниковый круг →
Рессорно-пружинный круг →
Стальной круг →
Чугунный круг →
Штамповой круг →
Электротехнический круг →

Металлический лист

Асбест листовой →
Листовая сталь →
Листы из сплавов →
Листы износостойкие →
Листы полимерные →
Листы цветных металлов →
Хризотилцементные листы (шифер) →
Чугунный лист →

Металлоконструкции

Мачты освещения и молниеотводы →
Металлоконструкции по чертежу →
Опоры контактной сети железных дорог →
Опоры ЛЭП →
Опоры освещения →
Порталы ОРУ →
Складские и логистические →
Строительные →
Фундаменты опор ЛЭП →

Метизы

Болты БСР ГОСТ 28778-90 →
Болты высокопрочные ГОСТ Р 52644-2006 (ГОСТ 22353-77) →
Гайки высокопрочные ГОСТ Р 52645-2006 (ГОСТ 22354-77) →
Гайки по ГОСТ и DIN →
Шайбы высокопрочные ГОСТ Р 52646-2006 (ГОСТ 22355-77) →
Шайбы ГОСТ и DIN →
Шпильки →
Шпильки резьбовые собственного производства →

Сетки

Декоративные сетки →
Каркасы, сетки по чертежу →
Сетка из цветных металлов →
Сетка металлическая →
Сетка нержавеющая →
Сетки из стали →

Сталь

Арматура в бухтах →
Арматура в прутках →
Биметаллическая проволока →
Двутавровые балки →
Инструментальная сталь →
Листовая сталь →
Нержавеющий прокат →
Оцинкованная сталь →
Прокат из конструкционных сталей →
Стальной трос →
Стальные профили →
Стальные фитинги →
Судостроительная сталь →
Центраторы колонн →

Трубы

Асбестовая труба (асбестоцементная) →
Биметаллическая оребренная труба →
Биметаллические трубы →
Жаропрочные трубы →
Колонковая труба →
Конструкционная труба →
Котельная труба →
Крекинговая труба →
Магистральная труба →
Обсадная труба →
Прецизионная труба →
Реакционные трубы →
Стальная бесшовная труба →
Стальная бурильная труба →
Стальная газлифтная труба →
Стальная газовая труба →
Стальная гофрированная труба →
Стальная нефтяная труба →
Стальная овальная труба →
Стальная оребренная труба →
Стальная плоскоовальная труба →
Стальная профильная труба →
Стальная прямоугольная труба →
Стальная труба в ППМ изоляции →
Стальная труба круглая →
Стальная труба отопления →
Стальная электросварная труба →
Труба в ВУС изоляции →
Труба в ППУ изоляции →
Труба НКБ →
Труба НКВ →
Труба НКМ →
Труба НКТ →
Труба сварная →
Труба стальная квадратная →
Труба ЦПП →
Хромированная труба →
Цельнотянутая труба →

Цветные металлы

Алюминиевый прокат →
Бронзовый прокат →
Гафний →
Латунный прокат →
Медный прокат →
Цинковый прокат →
Цирконий →

Чугун

Гидранты пожарные чугунные →
Дождеприемники чугунные →
Чугунная водосточная воронка →
Чугунная дробь →
Чугунная плита →
Чугунные консоли →
Чугунные тигли →
Чугунные трубы →
Чугунные фитинги →
Чугунный пруток →
Чушка чугунная →

Благородные металлы

Аноды золотые →
Аноды из палладия →
Иридиевая проволока →
Иридиевые слитки →
Серебро в гранулах →
Фольга из иридия →
Фольга из родия →
Фольга серебро →

Закладные детали

Анкерная группа →
Закладные детали по сериям →
Закладные детали по чертежу →
Закладные изделия МН →
Пластины и косынки →

Полимеры

Асботекстолит →
Безасбестовый картон →
Гетинакс →
Дюростон →
Калибровочный воск →
Капролон →
Картон →
Конструкционный пластик →
Лакоткань →
Лист пенопласта →
Оргстекло →
Паронит →
ПВХ (поливинилхлорид) →
Пластиковый стержень →
Поликарбонат →
Полимерные фитинги →
Полипропилен →
Полиэтилентерефталат →
Синтофлекс →
Слопласт →
Слюдопласт →
Стеклолакоткань →
Стекломиканит →
Стеклопластик →
Стеклотекстолит →
Стеклоткань рулонная →
Фторлакоткань →
Эбонит →
Эмаль →

Оборудование

Вентиляционное оборудование →
Горнодобывающее оборудование →
Детали оборудования →
Дробильно-размольное оборудование →
Машиностроение →
Насосы →
Оборудование для канализации →
Оборудование для литейного производства →
Отопительное оборудование →
Сварочное оборудование →
Счетчики газа →
Электротехническое оборудование →

Редкоземельные металлы

Гадолиний →
Диспрозий →
Европий →
Индий →
Иттербий →
Иттрий →
Церий →
Эрбий →

Сплавы

Прецизионные сплавы →
Ферросплавы →

Реактивы

Кислоты →
Оксиды →
Органические соединения →
Особо чистые вещества →
Соли →
Фреон →
Щёлочи →

Композиты

Алюминиевые композитные листы →
Арамид (кевлар) →
Графитовый стержень →
Изофлекс →
Компаунды →
Композитный решетчатый настил →
Лавитерм →
Преформы →
Углеродное волокно →
Углеродные нити →

Круги из сплавов

Бронзовый круг →
Латунный круг →

Круги цветных металлов

Алюминиевый круг →
Дюралевый круг →
Медный круг →
Свинцовый круг →
Титановый круг →

Листовая сталь

Быстрорежущий лист →
Жаропрочный лист →
Жесть →
Кислотостойкий лист →
Лист с полимерным покрытием →
Лист стали →
Стальной гофрированный лист →
Стальной перфорированный лист →
Стальной просечно-вытяжной лист →
Стальной профилированный лист →
Стальной рифленый лист →
Судовой лист →

Листы из сплавов

Бронзовый лист →
Латунный лист →
Прецизионный лист →
Тугоплавкий лист →

Листы полимерные

АБС-пластик листовой →
Винипласт листовой →
Гетинакс листовой →
Капролон листовой →
Лист оргстекла →
Лист ПЭТ (полиэтилентерефталат) →
Миканит листовой →
Паронит листовой →
Полиацеталь листовой →
Полистирол листовой →
Полиуретан листовой →
Стеклопластик листовой →
Стеклотекстолит листовой →
Текстолит листовой →
Эбонит листовой →

Листы цветных металлов

Алюминиевый лист гладкий →
Алюминиевый перфорированный лист →
Алюминиевый рифленый лист →
Анодированный лист →
Вольфрамовый лист →
Дюралевый лист →
Индиевый лист →
Кадмиевый лист →
Медный лист →
Молибденовый лист →
Ниобиевый лист →
Свинцовый лист →
Танталовый лист →
Титановый лист →
Циркониевый лист →

Мачты освещения и молниеотводы

Железобетонные мачты освещения →
Стальные мачты освещения из углового профиля →
Стальные многогранные и трубчатые мачты освещения →

Опоры контактной сети железных дорог

Лестницы с ограждением →
Ригели жестких поперечин контактной сети →
Светофорные мостики →
Стойки опор контактной сети →
Узлы крепления конструкций →
Фундаменты опор контактной сети →

Опоры ЛЭП

Железобетонные опоры ЛЭП →
Металлические опоры ЛЭП →

Опоры освещения

Железобетонные стойки опор освещения →
Кронштейны освещения →
Металлические опоры освещения →

Порталы ОРУ

Железобетонные порталы ОРУ →
Железобетонные элементы подстанций →
Порталы ОРУ для железных дорог →
Стальные порталы ОРУ →

Складские и логистические

Траверсы →

Строительные

Арматурные каркасы →
Балки перекрытия →
Винтовые сваи →
Лестницы металлические и ограждения для лестниц →
Металлические каркасы →
Металлические ригели →
Металлические фермы →
Металлические эстакады →
Площадки металлические и ограждения для площадок →
Рамные конструкции →
Стремянки металлические и ограждения →

Фундаменты опор ЛЭП

Винтовые сваи →
Железобетонные фундаменты опор ЛЭП →
Металлоконструкции свайных фундаментов →
Металлоконструкции спаренных фундаментов →

Декоративные сетки

Архитектурно-фасадная сетка →
Металлические шторы →
Сетка для ламинации →
Тросиковая декоративная сетка →

Сетка из цветных металлов

Сетка бронзовая →
Сетка вольфрамовая →
Сетка латунная →
Сетка магниевая →
Сетка медная →
Сетка молибденовая →
Сетка никелевая →
Сетка нихромовая →
Сетка фехралевая →
Сетка циркониевая →

Сетка металлическая

Сетка плетеная в ПВХ АЖУР →

Сетка нержавеющая

Сетка нержавеющая ГОСТ 3826-82 →
Сетка нержавеющая для сепарирования (мельничная) →
Сетка нержавеющая зарубежной классификации mesh →
Сетка нержавеющая из троса →
Сетка нержавеющая конвейерная ТУ-14-4-460-88 →
Сетка нержавеющая сварная в картах →
Сетка нержавеющая сварная в рулонах →
Сетка нержавеющая тканая микронная →
Сетка рифленая из нержавеющей проволоки →
Сетка тканая нержавеющая →
Сетка тканая нержавеющая саржевого плетения →

Сетки из стали

Габионная сетка →
Габионы →
Канилированная сетка →
Мелкая сетка →
Мельничная сетка →
Саржевая сетка →
Сетка крученая →
Сетка Манье →
Сетка рабица →
Сетка рукавная →
Сетка стальная сварная →
Сетка щелевая →
Стальная арматурная сетка →
Стальная дорожная сетка →
Стальная кладочная сетка →
Стальная плетеная сетка →
Стальная просечно-вытяжная сетка →
Стальная рифленая сетка →
Стальная сетка →
Стальная сетка семянка →
Стальная тканая сетка →
Стальная фильтровая сетка →
Стальная штукатурная сетка →
Тросиковая сетка →

Двутавровые балки

Специальные балки →

Инструментальная сталь

Быстрорежущая сталь →
Круг инструментальный →

Листовая сталь

Бронелист →
Быстрорежущий лист →
Конструкционный лист →

Нержавеющий прокат

Втулка нержавеющая →
Листы из нержавеющей стали →
Нержавеющая бандажная лента →
Нержавеющая заготовка →
Нержавеющая круглая поковка →
Нержавеющая лента →
Нержавеющая монтажная лента →
Нержавеющая перфорированная лента →
Нержавеющая плита →
Нержавеющая полоса →
Нержавеющая проволока →
Нержавеющая проволочная сетка →
Нержавеющая пружинная проволока →
Нержавеющая фольга →
Нержавеющие профили →
Нержавеющие фитинги →
Нержавеющий канат →
Нержавеющий квадрат →
Нержавеющий круг →
Нержавеющий пруток →
Нержавеющий рулон →
Нержавеющий уголок →
Нержавеющий шестигранник →
Пищевая проволока →
Пищевой круг →
Порошок нержавеющий →
Трубы из нержавеющей стали →
Швеллер нержавеющий →
Шина нержавеющая →

Оцинкованная сталь

Втулка оцинкованная →
Канат оцинкованный →
Катанка оцинкованная →
Оцинкованная лента →
Оцинкованная перфорированная лента →
Оцинкованная плита →
Оцинкованная полоса →
Оцинкованная проволока →
Оцинкованная просечно-вытяжная сетка →
Оцинкованная сварная сетка →
Оцинкованная сетка →
Оцинкованная сетка рабица →
Оцинкованная тканая сетка →
Оцинкованная шина →
Оцинкованные трубы →
Оцинкованный квадрат →
Оцинкованный круг →
Оцинкованный лист →
Оцинкованный перфорированный лист →
Оцинкованный профилированный лист →
Оцинкованный профиль →
Оцинкованный пруток →
Оцинкованный рулон →
Оцинкованный уголок →
Оцинкованный швеллер →
Оцинкованный шестигранник →
Сетка кладочная оцинкованная →
Сетка плетеная оцинкованная →
Фитинги оцинкованные →
Штрипс оцинкованный →

Прокат из конструкционных сталей

Автоматная сталь →
Круг конструкционный →
Электротехническая сталь →

Стальной трос

Буровой канат →
Канат грузоподъемный (грузовой) →

Стальные профили

Г-образный профиль стальной →

Стальные фитинги

Бочонок стальной →
Хомуты стальные →

Судостроительная сталь

Двери судовые →
Судовая арматура →

Асбестовая труба (асбестоцементная)

Для газового котла →

Жаропрочные трубы

Для дымохода →

Алюминиевый прокат

Алюминиевая катанка →
Алюминиевая лента →
Алюминиевая пластина →
Алюминиевая плита →
Алюминиевая полоса →
Алюминиевая проволока →
Алюминиевая пудра →
Алюминиевая сварочная проволока →
Алюминиевая сетка →
Алюминиевая труба →
Алюминиевая фольга →
Алюминиевая чушка →
Алюминиевая шина →
Алюминиевые профили →
Алюминиевый гладкий лист →
Алюминиевый двутавр →
Алюминиевый круг →
Алюминиевый перфорированный лист →
Алюминиевый порошок →
Алюминиевый пруток →
Алюминиевый рифленый лист →
Алюминиевый рулон →
Алюминиевый тавр →
Алюминиевый уголок →
Алюминиевый швеллер →
Алюминиевый шестигранник →
Анодированный прокат →
Гильзы алюминиевые →
Дюралевый прокат →
Электрокорунд →

Бронзовый прокат

Бронзовая лента →
Бронзовая плита →
Бронзовая полоса →
Бронзовая проволока →
Бронзовая пудра →
Бронзовая сетка →
Бронзовая труба →
Бронзовая фольга →
Бронзовая чушка →
Бронзовые фитинги →
Бронзовый квадрат →
Бронзовый круг →
Бронзовый лист →
Бронзовый порошок →
Бронзовый пруток →
Бронзовый шестигранник →

Гафний

Гафниевая полоса →
Гафниевая проволока →
Гафниевая фольга →
Гафниевый порошок →
Гафниевый пруток →

Латунный прокат

Латунные фитинги →
Чушки латунные →

Медный прокат

Трубы из меди →

Цинковый прокат

Цинковая проволока →
Цинковая фольга →
Цинковая чушка →
Цинковый анод →
Цинковый лист →
Цинковый порошок →

Цирконий

Циркониевая лента →
Циркониевая полоса →
Циркониевая проволока →
Циркониевая труба →
Циркониевый катод →
Циркониевый лист →
Циркониевый порошок →
Циркониевый пруток →

Чугунные фитинги

Адаптеры чугунные →
Демонтажные вставки чугунные →
Фильтры чугунные →
Футорки чугунные →
Хомуты ремонтные чугунные →
Чугунная задвижка →
Чугунная крестовина →
Чугунная муфта →
Чугунная пробка →
Чугунное колено →
Чугунные гайки →
Чугунные пожарные подставки →
Чугунный затвор →
Чугунный клапан →
Чугунный кран →
Чугунный ниппель →
Чугунный отвод →
Чугунный патрубок →
Чугунный тройник →
Чугунный угольник →
Чугунный фланец →

Чугунный пруток

Чугунный круг →

Чушка чугунная

Антифрикционный чугун →
Чугун с вермикулярным графитом →
Чугун с шаровидным графитом →

Анкерная группа

Анкерная тяга AT-d-l; ATл-d-l по серии 3.505.1-15.4 51000; 52000 →
Анкерная тяга AT-d-S 3.505.1-15.4 50000 →
Анкерная тяга ATс-d-l 3.505.1-15.4 53000 →
Анкерные блоки →
Анкерные болты →
Анкерные плиты от м16 до м90 ГОСТ 24379.1-2012 (ГОСТ 24379.1-80) →

Закладные детали по сериям

Опоры →
Петли →
Хомуты →

Закладные изделия МН

Закладные изделия МН 101-164 →
Закладные изделия МН 201-228 →
Закладные изделия МН 301-323 →
Закладные изделия МН 401-418 →
Закладные изделия МН 501-571 →
Закладные изделия МН 601-617 →
Закладные изделия МН 701-795 →
Закладные изделия МН 801-834 →

Гетинакс

Гетинакс листовой →
Гетинакс фольгированный →

Капролон

Капролон пластина →
Капролон плита →
Капролон стержень →
Капролон экструзионный стержень →
Капролоновая втулка →

Конструкционный пластик

HPL пластик →
АБС-пластик →
Винипласт →
Полиамид →
Полиацеталь →
Полиацеталь листовой →
Полиуретан →
Полиэтилен →
Текстолит →
Фторопласт →

Оргстекло

Блок оргстекла →
Стержень оргстекла →
Трубы из оргстекла →

Паронит

Паронит листовой →

ПВХ (поливинилхлорид)

Пластикат →
Плиты ПВХ (поливинилхлорид) →
Пруток ПВХ →

Пластиковый стержень

Фторопласт стержень →
Эбонитовый стержень →

Полимерные фитинги

Втулка пластиковая (полимерная) →
Хомуты ПНД →

Полипропилен

Ворс полипропиленовый →
Ленты полипропиленовые →
Нити полипропиленовые →
Полипропиленовая труба →
Полипропиленовые рулоны →
Фиброволокно (фибра полипропиленовая) →
Фильтры полипропиленовые →
Хомуты полипропиленовые →
Шпагаты полипропиленовые →

Полиэтилентерефталат

Полиэтилентерефталат гранулы →
Полиэтилентерефталат пруток →
Полиэтилентерефталатная пленка →

Стеклотекстолит

Стеклотекстолит стержень →
Стеклотекстолит фольгированный →

Эбонит

Эбонитовая пластина →
Эбонитовая трубка →

Вентиляционное оборудование

Аэраторы →
Запчасти для вентиляционного оборудования →

Горнодобывающее оборудование

Буровое оборудование →
Карьерное оборудование →
Углеразмольное оборудование →

Детали оборудования

Бандажи сталь →
Блюмы →
Болты →
Гайки шестигранные →
Графитовые прокладки →
Эксцентриковые валы →

Дробильно-размольное оборудование

Дробящие плиты щековых дробилок →

Машиностроение

Профили специального назначения →

Насосы

Дренажные насосы →
Насосы для водоснабжения →
Насосы для нефтепродуктов →
Насосы специального назначения →
Центробежные горизонтальные насосы →

Оборудование для канализации

Дренажная гофрированная труба →
Дренажная керамическая труба →
Дренажная перфорированная труба →
Дренажная полимерная труба →
Дренажная труба →

Оборудование для литейного производства

Тигли для плавки →

Отопительное оборудование

Калориферы →
Теплообменники →

Сварочное оборудование

Припои из металла →
Электроды →

Счетчики газа

Адаптеры для газового счетчика →
Акустический фильтр для газового счетчика →

Электротехническое оборудование

Кабели →

Индий

Индиевая проволока →
Индиевая фольга →
Индиевый лист →
Индиевый пруток →
Слиток индия →

Прецизионные сплавы

Фехраль →

Ферросплавы

Ферроалюминий →
Ферробор →
Феррованадий →
Ферровольфрам →
Ферромарганец →
Ферромолибден →
Феррониобий →
Ферросера →
Ферросиликомарганец →
Ферросилиций →
Ферротитан →
Феррохром →

Кислоты

Адипиновая кислота →
Азотная кислота →
Аминоуксусная кислота →
Бензойная кислота →
Борная кислота →
Борфтористоводородная кислота →
Фтористоводородная кислота →
Фумаровая кислота →
Хлорная кислота →

Оксиды

Диоксид титана →
Хромовый ангидрид →

Органические соединения

Анилин →
Ацетилацетон →
Ацетонитрил →
Бензол →
Бензотриазол →
Бутилацетат →
Гексаметилентетрамин →
Гептан →
Гидрохинон →
Деионизованная вода →
Декстрин картофельный →
Диметилглиоксим →
Дифениламин →
Диэтиламин →
Диэтиловый эфир →
Спирты →
Формалин технический →
Этилендиамин →

Особо чистые вещества

Аммиак водный осч →
Аммоний фтористый →
Графит порошковый →
Диоксид титана осч →
Изопропиловый спирт осч →
Фтористоводородная кислота осч →
Этиленгликоль →

Соли

Квасцы →
Соли алюминия →
Соли аммония →
Соли бария →
Соли висмута →
Соли кадмия →
Соли калия →
Соли кальция →
Соли кобальта →
Соли лантана →
Соли лития →
Соли магния →
Соли марганца →
Соли меди →
Соли натрия →
Соли никеля →
Соли олова →
Соли свинца →
Соли стронция →
Соли цинка →

Щёлочи

Гидроксид алюминия →
Гидроксид бария →
Гидроксид калия →
Гидроксид кальция →
Гидроксид лития →
Гидроксид магния →
Гидроксид натрия →

Арамид (кевлар)

Арамидная ткань (кевларовая ткань) →
Арамидные жгуты →
Арамидные канаты →
Арамидные нити →
Арамидные шнуры →

Стальной профилированный лист

Для забора →
Для кровли →
Для фасада →
Оцинкованный →
Стеновой →
Универсальный →

Железобетонные мачты освещения

Мачты осветительные серия 3.501.1-155 →
Мачты осветительные серия 3.501.9-158 →
Молниеотводы МЖ серия 3.407.9-172 →
Прожекторные мачты ПМЖ серия 3.407.9-172 →

Стальные мачты освещения из углового профиля

Антенный молниеотвод АМ проект А105 →
Мачты осветительные серия 3.501.2-123 →
Молниеотводы МС серия 3.407.9-172 →
Прожекторные мачты ПМС серия 3.407.9-172 →
Прожекторные мачты ПМС серия РЛ/373-399 →
Стержневой молниеотвод СМ проект А31-95 →

Стальные многогранные и трубчатые мачты освещения

Мачты освещения с мобильной короной →
Мачты освещения с молниеприемником →
Мачты освещения со стационарной решеткой или короной →
Многогранные молниеотводы →

Лестницы с ограждением

Лестницы жестких поперечин →
Лестницы светофорного мостика →

Ригели жестких поперечин контактной сети

Ригели без освещения проект №5254 →
Ригели без освещения проект №6458и →
Ригели с освещением проект №5254 →
Ригели с освещением проект №6458и →

Светофорные мостики

Консоли светофоров →
Люлька смотровая →
Перильное ограждение →
Ригели светофорных мостиков →

Стойки опор контактной сети

Железобетонные мачты светофоров типа МСЦ, МСНЦ →
Железобетонные стойки опор контактной сети →
Железобетонные стойки опор линий автоблокировки →
Металлические стойки жестких поперечин и опор контактной сети →
Металлические стойки опор линий автоблокировки →

Узлы крепления конструкций

Консольные столики →
Оголовки →

Фундаменты опор контактной сети

Винтовые сваи и анкеры опор КС →
Железобетонные фундаменты и анкеры опор КС →
Лежни и опорные плиты →
Металлические фундаменты и анкеры опор КС →
Фундаменты мачт светофоров →

Железобетонные опоры ЛЭП

Металлоконструкции железобетонных опор →
Новые железобетонные опоры →
Стойки железобетонные вибрированные →
Стойки железобетонные центрифугированные →
Стойки железобетонные центрифугированные разборные →

Металлические опоры ЛЭП

Металлические решетчатые опоры →
Металлические решетчатые опоры новой унификации →
Стальные многогранные опоры →

Железобетонные стойки опор освещения

Стойки железобетонные для опор освещения СВН →
Стойки железобетонные для опор освещения СКЦ →
Стойки железобетонные для опор освещения СО →
Стойки железобетонные для опор освещения СЦс, СНЦс →

Кронштейны освещения

Кронштейн двухрожковый →
Кронштейн однорожковый →
Кронштейн Т-образный →
Кронштейн трехрожковый →
Кронштейн Х-образный →
Кронштейн четырехрожковый →

Металлические опоры освещения

Опоры городской контактной сети →
Опоры освещения несиловые →
Опоры освещения силовые →

Траверсы

Линейные траверсы →
Траверсы для контейнеров →
Траверсы пространственные Н-образные →
Траверсы-спредеры →

Арматурные каркасы

Плоские арматурные каркасы →
Пространственные арматурные каркасы →

Лестницы металлические и ограждения для лестниц

Лестницы ЛГВ →
Лестницы ЛГР →
Лестницы ЛГФ →
Лестницы ЛХВ →
Лестницы ЛХР →
Лестницы ЛХФ →
Ограждения →
Ограждения лестниц ОЛГ →
Ограждения лестниц ОЛХ →

Металлические ригели

Ригели из стали С 245 →
Ригели из стали С 345 →
Ригели из стали С 345К При болтовом соединении накладок →
Ригели из стали С 345К При сварном соединении накладок →

Металлические фермы

Ферма двускатная →
Ферма прямая →
Ферма треугольная →

Металлические эстакады

Кабельные эстакады →

Площадки металлические и ограждения для площадок

Ограждения площадок боковые →
Ограждения площадок торцевые →
Площадки →
Площадки переходные →
Площадки промышленные →

Рамные конструкции

Г-образные рамные конструкции →
П-образные рамные опоры →
Т-образные рамные конструкции →

Стремянки металлические и ограждения

Ограждения стремянки ОСГ →
Ограждения стремянки ОСХ →
Стремянки и Лестницы →
Стремянки СГ →
Стремянки СХ →
Стремянки ТПР →

Винтовые сваи

Сваи винтовые ВСЛ, ВСЛМ, ВС, ВСМ серия 20006тм →
Сваи винтовые с литым наконечником СВЛ, СВЛМ →
Сваи винтовые со сварным наконечником СВ, СВМ →
Сваи и анкера винтовые серия 3.407.9-158 →

Железобетонные фундаменты опор ЛЭП

Анкерные фундаменты →
Детали составных фундаментов →
Опорные плиты →
Приставки →
Ригели →
Сваи →
Фундаменты →
Фундаменты новой унификации →
Фундаменты секционированных опор →

Металлоконструкции свайных фундаментов

Свайные фундаменты и металлические ростверки серия 3.407-115 →
Свайные фундаменты опор ЛЭП и балки ростверков серия 3.407.9-146 →
Фундаменты опор ВЛ на винтовых сваях и балки ростверков серия 3.407.9-158 →
Фундаменты опор ВЛ на винтовых сваях проект 20006тм →
Фундаменты опор ВЛ на винтовых сваях проект 20015тм →

Металлоконструкции спаренных фундаментов

Балки спаренных фундаментов новой унификации →
Балки спаренных фундаментов серия 3.407-115 →

Сетка рабица

Сетка рабица неоцинкованная →
Сетка рабица оцинкованная →
Сетка рабица с полимерным покрытием ПВХ →

Сетка стальная сварная

Сетка сварная из оцинкованной проволоки ВР-1 →
Сетка сварная неоцинкованная →
Сетка сварная нержавеющая →
Сетка сварная оцинкованная →
Сетка сварная с полимерным покрытием (ПВХ) →

Стальная кладочная сетка

Сетка сварная кладочная 3Вр1 →
Сетка сварная кладочная 4Вр1 →

Стальная тканая сетка

Сетка тканая неоцинкованная →
Сетка тканая оцинкованная →

Стальная фильтровая сетка

Сетка фильтровая по ТУ →
Сетка фильтровая полотняного переплетения →
Сетка фильтровая саржевого двойного переплетения →
Сетка фильтровая саржевого переплетения →

Стальная штукатурная сетка

Сетка тканая штукатурная нержавеющая →
Сетка тканая штукатурная оцинкованная →

Быстрорежущая сталь

Быстрорежущая полоса →
Быстрорежущая проволока →
Быстрорежущий квадрат →

Круг инструментальный

Быстрорежущий круг →

Конструкционный лист

Автоматный лист →
Электротехнический лист →

Листы из нержавеющей стали

Гладкий нержавеющий лист →
Лист нержавеющий декоративный →
Нержавеющий перфорированный лист →
Нержавеющий пищевой лист →
Нержавеющий просечно-вытяжной лист →
Нержавеющий рифленый лист →

Нержавеющая проволочная сетка

Нержавеющая рифленая сетка →
Нержавеющая тканая сетка →
Нержавеющая фильтровая сетка →
Нержавеющая щелевая сетка →
Сетка пищевая нержавеющая →
Сетка плетеная нержавеющая →
Сетка просечная нержавеющая →

Нержавеющие профили

L-образный профиль нержавеющий →
Z-образный профиль нержавеющий →
Г-образный профиль нержавеющий →
П-образный профиль нержавеющий →
Профиль нержавеющий квадратный →
С-образный профиль нержавеющий →
Т-образный профиль нержавеющий →

Нержавеющие фитинги

Бочонок нержавеющий →
Вентили нержавеющие →
Задвижки нержавеющие →
Клапаны нержавеющие →
Контргайки нержавеющие →
Крестовины нержавеющие →
Муфты нержавеющие →
Нержавеющая заглушка →
Нержавеющие краны →
Нержавеющий ниппель →
Нержавеющий отвод →
Нержавеющий переход →
Нержавеющий тройник →
Нержавеющий фланец →
Пресс-фитинги →
Сгоны нержавеющие →

Трубы из нержавеющей стали

Нержавеющая бесшовная труба →
Нержавеющая гофрированная труба →
Нержавеющая капиллярная трубка →
Нержавеющая обсадная труба →
Нержавеющая оребренная труба →
Нержавеющая перфорированная труба →
Нержавеющая пищевая труба →
Нержавеющая профильная труба →
Нержавеющая труба →
Нержавеющая труба ППУ →
Нержавеющая электросварная труба →

Оцинкованные трубы

Круглая оцинкованная труба →
Оцинкованная гофрированная труба →
Оцинкованная квадратная труба →
Оцинкованная овальная труба →
Оцинкованная профильная труба →
Оцинкованная прямоугольная труба →
Труба ВГП (водогазопроводная) →
Труба вентиляционная оцинкованная →
Труба водосточная оцинкованная →

Фитинги оцинкованные

Бочонок оцинкованный →
Заглушки оцинкованные →
Контргайки оцинкованные →
Муфты оцинкованные →
Ниппели оцинкованные →
Отводы оцинкованные →
Переходы оцинкованные →
Сгоны оцинкованные →
Тройники оцинкованные →
Фланцы оцинкованные →

Автоматная сталь

Автоматная плита →
Автоматный квадрат →
Автоматный шестигранник →

Круг конструкционный

Автоматный круг →
Электротехнический круг →

Электротехническая сталь

Электротехническая лента →
Электротехническая полоса →
Электротехнический рулон →

Судовая арматура

Грязевые коробки →

Алюминиевая труба

Алюминиевая бурильная труба →
Алюминиевая круглая труба →
Алюминиевая прессованная труба →
Алюминиевые профильные трубы →

Алюминиевая шина

Электротехническая →

Алюминиевые профили

Г-образный профиль алюминиевый →

Анодированный прокат

Анодированная полоса (лента) →
Анодированная труба →
Анодированный двутавр →
Анодированный лист →
Анодированный тавр →
Анодированный уголок →
Анодированный швеллер →

Дюралевый прокат

Дюралевая лента →
Дюралевая плита →
Дюралевая полоса →
Дюралевая проволока →
Дюралевая труба →
Дюралевая чушка →
Дюралевый квадрат →
Дюралевый круг →
Дюралевый лист →
Дюралевый пруток →
Дюралевый уголок →
Дюралевый швеллер →
Дюралевый шестигранник →

Бронзовые фитинги

Бронзовая втулка →
Бронзовый вкладыш →
Бронзовый клапан →

Латунные фитинги

Латунные аксиальные фитинги →
Футорки латунные →

Трубы из меди

Газовая медная труба →

Анкерные болты

Фундаментные болты ГОСТ 24379.1-2012 →

АБС-пластик

АБС-пластик листовой →

Полиэтилен

Газовая полиэтиленовая труба →
ПЭ адаптеры →

Фторопласт

Фторопласт листовой →
Фторопластовая лента →
Фторопластовая пластина →
Фторопластовая пленка →
Фторопластовая прокладка →
Фторопластовая трубка →
ФУМ →

Втулка пластиковая (полимерная)

Фторопластовые втулки →

Запчасти для вентиляционного оборудования

Бункерные устройства →
Гибкие вставки →

Буровое оборудование

Буровые насосы →
Инструменты для бурового оборудования →
Очистительное оборудование →
Силовое оборудование →
Спуско-подъемное оборудование →

Карьерное оборудование

Дефлекторы карьерной техники →

Углеразмольное оборудование

Била стальные →
Отливки броней →

Профили специального назначения

Башмак гусеницы трактора →

Насосы для водоснабжения

Бытовые насосы →
Насосы для водяных систем →

Насосы для нефтепродуктов

Бензиновые насосы →
Битумные насосы →

Насосы специального назначения

Бочковые насосы →

Тигли для плавки

Графитовые тигли →

Калориферы

Электрокалориферы →

Теплообменники

Грязевики для системы отопления →

Припои из металла

Фольга припоя →

Адаптеры для газового счетчика

Адаптер GSM →
Адаптер RS →
Адаптер USB →

Кабели

Кабель бронированный →
Кабель гибкий →
Слаботочный кабель →

Фехраль

Фехралевая проволока →

Спирты

Бензиловый спирт →
Бутиловый спирт →
Глицерин →
Диэтиленгликоль →
Изобутиловый спирт →
Изопропиловый спирт →
Циклогексанол →

Квасцы

Алюмоаммонийные квасцы →
Алюмокалиевые квасцы →
Хромокалиевые квасцы →

Соли алюминия

Фторид алюминия →
Хлорид алюминия →

Соли аммония

Ацетат аммония →
Бензоат аммония →
Бромид аммония →
Гидрокарбонат аммония →
Гидрофосфат аммония →
Дихромат аммония →
Йодид аммония →
Формиат аммония →
Фторид аммония →
Хлорид аммония →
Хромат аммония →
Цитрат аммония →

Соли бария

Ацетат бария →
Хлорид бария →
Хромат бария →

Соли висмута

Хлорид висмута →

Соли кадмия

Ацетат кадмия →
Хлорид кадмия →

Соли калия

Бромид калия →
Гексацианоферрат калия →
Дихромат калия →
Йодат калия →
Фторид калия →
Хлорид калия →
Хромат калия →
Цитрат калия →

Соли кальция

Гипохлорит кальция →
Йодат кальция →
Фторид кальция →
Хлорид кальция →

Соли кобальта

Ацетат кобальта →
Хлорид кобальта →

Соли лантана

Хлорид лантана →

Соли лития

Бромид лития →
Хлорид лития →

Соли магния

Ацетат магния →
Фторид магния →
Хлорид магния →

Соли марганца

Ацетат марганца →
Хлорид марганца →

Соли меди

Ацетат меди →
Хлорид меди →

Соли натрия

Ацетат натрия →
Бензоат натрия →
Бисульфит натрия →
Бихромат натрия →
Бромид натрия →
Гидрофосфат натрия →
Гипофосфит натрия →
Гипохлорит натрия →
Йодид натрия →
Фторид натрия →
Хлорид натрия →
Цитрат натрия →

Соли никеля

Хлорид никеля →

Соли олова

Хлорид олова →

Соли свинца

Ацетат свинца →
Хлорид свинца →

Соли стронция

Хлорид стронция →

Соли цинка

Ацетат цинка →
Фторид цинка →
Хлорид цинка →
Цинк фосфорнокислый →
Цинк щавелевокислый →
Услуги
Доставка
Оплата
Компания
  • О компании
  • ГОСТы
  • Сертификаты
  • Производители
  • Партнеры
  • Вакансии
  • Реквизиты
  • Благодарности
Галерея
Контакты
Статьи
    Рассчитать заказ
    Сайт nial.group
    Каталог металлопродукции

    Каталог

    Круг металлический →
    Металлический лист →
    Металлоконструкции →
    Метизы →
    Сетки →
    Сталь →
    Трубы →
    Цветные металлы →
    Чугун →
    Благородные металлы →
    Закладные детали →
    Полимеры →
    Оборудование →
    Редкоземельные металлы →
    Сплавы →
    Реактивы →
    Композиты →

    Круг металлический

    Автоматный круг →
    Быстрорежущий круг →
    Валковый круг →
    Жаропрочный круг →
    Круги из сплавов →
    Круги калиброванные →
    Круги цветных металлов →
    Низколегированный круг →
    Подшипниковый круг →
    Рессорно-пружинный круг →
    Стальной круг →
    Чугунный круг →
    Штамповой круг →
    Электротехнический круг →

    Металлический лист

    Асбест листовой →
    Листовая сталь →
    Листы из сплавов →
    Листы износостойкие →
    Листы полимерные →
    Листы цветных металлов →
    Хризотилцементные листы (шифер) →
    Чугунный лист →

    Металлоконструкции

    Мачты освещения и молниеотводы →
    Металлоконструкции по чертежу →
    Опоры контактной сети железных дорог →
    Опоры ЛЭП →
    Опоры освещения →
    Порталы ОРУ →
    Складские и логистические →
    Строительные →
    Фундаменты опор ЛЭП →

    Метизы

    Болты БСР ГОСТ 28778-90 →
    Болты высокопрочные ГОСТ Р 52644-2006 (ГОСТ 22353-77) →
    Гайки высокопрочные ГОСТ Р 52645-2006 (ГОСТ 22354-77) →
    Гайки по ГОСТ и DIN →
    Шайбы высокопрочные ГОСТ Р 52646-2006 (ГОСТ 22355-77) →
    Шайбы ГОСТ и DIN →
    Шпильки →
    Шпильки резьбовые собственного производства →

    Сетки

    Декоративные сетки →
    Каркасы, сетки по чертежу →
    Сетка из цветных металлов →
    Сетка металлическая →
    Сетка нержавеющая →
    Сетки из стали →

    Сталь

    Арматура в бухтах →
    Арматура в прутках →
    Биметаллическая проволока →
    Двутавровые балки →
    Инструментальная сталь →
    Листовая сталь →
    Нержавеющий прокат →
    Оцинкованная сталь →
    Прокат из конструкционных сталей →
    Стальной трос →
    Стальные профили →
    Стальные фитинги →
    Судостроительная сталь →
    Центраторы колонн →

    Трубы

    Асбестовая труба (асбестоцементная) →
    Биметаллическая оребренная труба →
    Биметаллические трубы →
    Жаропрочные трубы →
    Колонковая труба →
    Конструкционная труба →
    Котельная труба →
    Крекинговая труба →
    Магистральная труба →
    Обсадная труба →
    Прецизионная труба →
    Реакционные трубы →
    Стальная бесшовная труба →
    Стальная бурильная труба →
    Стальная газлифтная труба →
    Стальная газовая труба →
    Стальная гофрированная труба →
    Стальная нефтяная труба →
    Стальная овальная труба →
    Стальная оребренная труба →
    Стальная плоскоовальная труба →
    Стальная профильная труба →
    Стальная прямоугольная труба →
    Стальная труба в ППМ изоляции →
    Стальная труба круглая →
    Стальная труба отопления →
    Стальная электросварная труба →
    Труба в ВУС изоляции →
    Труба в ППУ изоляции →
    Труба НКБ →
    Труба НКВ →
    Труба НКМ →
    Труба НКТ →
    Труба сварная →
    Труба стальная квадратная →
    Труба ЦПП →
    Хромированная труба →
    Цельнотянутая труба →

    Цветные металлы

    Алюминиевый прокат →
    Бронзовый прокат →
    Гафний →
    Латунный прокат →
    Медный прокат →
    Цинковый прокат →
    Цирконий →

    Чугун

    Гидранты пожарные чугунные →
    Дождеприемники чугунные →
    Чугунная водосточная воронка →
    Чугунная дробь →
    Чугунная плита →
    Чугунные консоли →
    Чугунные тигли →
    Чугунные трубы →
    Чугунные фитинги →
    Чугунный пруток →
    Чушка чугунная →

    Благородные металлы

    Аноды золотые →
    Аноды из палладия →
    Иридиевая проволока →
    Иридиевые слитки →
    Серебро в гранулах →
    Фольга из иридия →
    Фольга из родия →
    Фольга серебро →

    Закладные детали

    Анкерная группа →
    Закладные детали по сериям →
    Закладные детали по чертежу →
    Закладные изделия МН →
    Пластины и косынки →

    Полимеры

    Асботекстолит →
    Безасбестовый картон →
    Гетинакс →
    Дюростон →
    Калибровочный воск →
    Капролон →
    Картон →
    Конструкционный пластик →
    Лакоткань →
    Лист пенопласта →
    Оргстекло →
    Паронит →
    ПВХ (поливинилхлорид) →
    Пластиковый стержень →
    Поликарбонат →
    Полимерные фитинги →
    Полипропилен →
    Полиэтилентерефталат →
    Синтофлекс →
    Слопласт →
    Слюдопласт →
    Стеклолакоткань →
    Стекломиканит →
    Стеклопластик →
    Стеклотекстолит →
    Стеклоткань рулонная →
    Фторлакоткань →
    Эбонит →
    Эмаль →

    Оборудование

    Вентиляционное оборудование →
    Горнодобывающее оборудование →
    Детали оборудования →
    Дробильно-размольное оборудование →
    Машиностроение →
    Насосы →
    Оборудование для канализации →
    Оборудование для литейного производства →
    Отопительное оборудование →
    Сварочное оборудование →
    Счетчики газа →
    Электротехническое оборудование →

    Редкоземельные металлы

    Гадолиний →
    Диспрозий →
    Европий →
    Индий →
    Иттербий →
    Иттрий →
    Церий →
    Эрбий →

    Сплавы

    Прецизионные сплавы →
    Ферросплавы →

    Реактивы

    Кислоты →
    Оксиды →
    Органические соединения →
    Особо чистые вещества →
    Соли →
    Фреон →
    Щёлочи →

    Композиты

    Алюминиевые композитные листы →
    Арамид (кевлар) →
    Графитовый стержень →
    Изофлекс →
    Компаунды →
    Композитный решетчатый настил →
    Лавитерм →
    Преформы →
    Углеродное волокно →
    Углеродные нити →

    Круги из сплавов

    Бронзовый круг →
    Латунный круг →

    Круги цветных металлов

    Алюминиевый круг →
    Дюралевый круг →
    Медный круг →
    Свинцовый круг →
    Титановый круг →

    Листовая сталь

    Быстрорежущий лист →
    Жаропрочный лист →
    Жесть →
    Кислотостойкий лист →
    Лист с полимерным покрытием →
    Лист стали →
    Стальной гофрированный лист →
    Стальной перфорированный лист →
    Стальной просечно-вытяжной лист →
    Стальной профилированный лист →
    Стальной рифленый лист →
    Судовой лист →

    Листы из сплавов

    Бронзовый лист →
    Латунный лист →
    Прецизионный лист →
    Тугоплавкий лист →

    Листы полимерные

    АБС-пластик листовой →
    Винипласт листовой →
    Гетинакс листовой →
    Капролон листовой →
    Лист оргстекла →
    Лист ПЭТ (полиэтилентерефталат) →
    Миканит листовой →
    Паронит листовой →
    Полиацеталь листовой →
    Полистирол листовой →
    Полиуретан листовой →
    Стеклопластик листовой →
    Стеклотекстолит листовой →
    Текстолит листовой →
    Эбонит листовой →

    Листы цветных металлов

    Алюминиевый лист гладкий →
    Алюминиевый перфорированный лист →
    Алюминиевый рифленый лист →
    Анодированный лист →
    Вольфрамовый лист →
    Дюралевый лист →
    Индиевый лист →
    Кадмиевый лист →
    Медный лист →
    Молибденовый лист →
    Ниобиевый лист →
    Свинцовый лист →
    Танталовый лист →
    Титановый лист →
    Циркониевый лист →

    Мачты освещения и молниеотводы

    Железобетонные мачты освещения →
    Стальные мачты освещения из углового профиля →
    Стальные многогранные и трубчатые мачты освещения →

    Опоры контактной сети железных дорог

    Лестницы с ограждением →
    Ригели жестких поперечин контактной сети →
    Светофорные мостики →
    Стойки опор контактной сети →
    Узлы крепления конструкций →
    Фундаменты опор контактной сети →

    Опоры ЛЭП

    Железобетонные опоры ЛЭП →
    Металлические опоры ЛЭП →

    Опоры освещения

    Железобетонные стойки опор освещения →
    Кронштейны освещения →
    Металлические опоры освещения →

    Порталы ОРУ

    Железобетонные порталы ОРУ →
    Железобетонные элементы подстанций →
    Порталы ОРУ для железных дорог →
    Стальные порталы ОРУ →

    Складские и логистические

    Траверсы →

    Строительные

    Арматурные каркасы →
    Балки перекрытия →
    Винтовые сваи →
    Лестницы металлические и ограждения для лестниц →
    Металлические каркасы →
    Металлические ригели →
    Металлические фермы →
    Металлические эстакады →
    Площадки металлические и ограждения для площадок →
    Рамные конструкции →
    Стремянки металлические и ограждения →

    Фундаменты опор ЛЭП

    Винтовые сваи →
    Железобетонные фундаменты опор ЛЭП →
    Металлоконструкции свайных фундаментов →
    Металлоконструкции спаренных фундаментов →

    Декоративные сетки

    Архитектурно-фасадная сетка →
    Металлические шторы →
    Сетка для ламинации →
    Тросиковая декоративная сетка →

    Сетка из цветных металлов

    Сетка бронзовая →
    Сетка вольфрамовая →
    Сетка латунная →
    Сетка магниевая →
    Сетка медная →
    Сетка молибденовая →
    Сетка никелевая →
    Сетка нихромовая →
    Сетка фехралевая →
    Сетка циркониевая →

    Сетка металлическая

    Сетка плетеная в ПВХ АЖУР →

    Сетка нержавеющая

    Сетка нержавеющая ГОСТ 3826-82 →
    Сетка нержавеющая для сепарирования (мельничная) →
    Сетка нержавеющая зарубежной классификации mesh →
    Сетка нержавеющая из троса →
    Сетка нержавеющая конвейерная ТУ-14-4-460-88 →
    Сетка нержавеющая сварная в картах →
    Сетка нержавеющая сварная в рулонах →
    Сетка нержавеющая тканая микронная →
    Сетка рифленая из нержавеющей проволоки →
    Сетка тканая нержавеющая →
    Сетка тканая нержавеющая саржевого плетения →

    Сетки из стали

    Габионная сетка →
    Габионы →
    Канилированная сетка →
    Мелкая сетка →
    Мельничная сетка →
    Саржевая сетка →
    Сетка крученая →
    Сетка Манье →
    Сетка рабица →
    Сетка рукавная →
    Сетка стальная сварная →
    Сетка щелевая →
    Стальная арматурная сетка →
    Стальная дорожная сетка →
    Стальная кладочная сетка →
    Стальная плетеная сетка →
    Стальная просечно-вытяжная сетка →
    Стальная рифленая сетка →
    Стальная сетка →
    Стальная сетка семянка →
    Стальная тканая сетка →
    Стальная фильтровая сетка →
    Стальная штукатурная сетка →
    Тросиковая сетка →

    Двутавровые балки

    Специальные балки →

    Инструментальная сталь

    Быстрорежущая сталь →
    Круг инструментальный →

    Листовая сталь

    Бронелист →
    Быстрорежущий лист →
    Конструкционный лист →

    Нержавеющий прокат

    Втулка нержавеющая →
    Листы из нержавеющей стали →
    Нержавеющая бандажная лента →
    Нержавеющая заготовка →
    Нержавеющая круглая поковка →
    Нержавеющая лента →
    Нержавеющая монтажная лента →
    Нержавеющая перфорированная лента →
    Нержавеющая плита →
    Нержавеющая полоса →
    Нержавеющая проволока →
    Нержавеющая проволочная сетка →
    Нержавеющая пружинная проволока →
    Нержавеющая фольга →
    Нержавеющие профили →
    Нержавеющие фитинги →
    Нержавеющий канат →
    Нержавеющий квадрат →
    Нержавеющий круг →
    Нержавеющий пруток →
    Нержавеющий рулон →
    Нержавеющий уголок →
    Нержавеющий шестигранник →
    Пищевая проволока →
    Пищевой круг →
    Порошок нержавеющий →
    Трубы из нержавеющей стали →
    Швеллер нержавеющий →
    Шина нержавеющая →

    Оцинкованная сталь

    Втулка оцинкованная →
    Канат оцинкованный →
    Катанка оцинкованная →
    Оцинкованная лента →
    Оцинкованная перфорированная лента →
    Оцинкованная плита →
    Оцинкованная полоса →
    Оцинкованная проволока →
    Оцинкованная просечно-вытяжная сетка →
    Оцинкованная сварная сетка →
    Оцинкованная сетка →
    Оцинкованная сетка рабица →
    Оцинкованная тканая сетка →
    Оцинкованная шина →
    Оцинкованные трубы →
    Оцинкованный квадрат →
    Оцинкованный круг →
    Оцинкованный лист →
    Оцинкованный перфорированный лист →
    Оцинкованный профилированный лист →
    Оцинкованный профиль →
    Оцинкованный пруток →
    Оцинкованный рулон →
    Оцинкованный уголок →
    Оцинкованный швеллер →
    Оцинкованный шестигранник →
    Сетка кладочная оцинкованная →
    Сетка плетеная оцинкованная →
    Фитинги оцинкованные →
    Штрипс оцинкованный →

    Прокат из конструкционных сталей

    Автоматная сталь →
    Круг конструкционный →
    Электротехническая сталь →

    Стальной трос

    Буровой канат →
    Канат грузоподъемный (грузовой) →

    Стальные профили

    Г-образный профиль стальной →

    Стальные фитинги

    Бочонок стальной →
    Хомуты стальные →

    Судостроительная сталь

    Двери судовые →
    Судовая арматура →

    Асбестовая труба (асбестоцементная)

    Для газового котла →

    Жаропрочные трубы

    Для дымохода →

    Алюминиевый прокат

    Алюминиевая катанка →
    Алюминиевая лента →
    Алюминиевая пластина →
    Алюминиевая плита →
    Алюминиевая полоса →
    Алюминиевая проволока →
    Алюминиевая пудра →
    Алюминиевая сварочная проволока →
    Алюминиевая сетка →
    Алюминиевая труба →
    Алюминиевая фольга →
    Алюминиевая чушка →
    Алюминиевая шина →
    Алюминиевые профили →
    Алюминиевый гладкий лист →
    Алюминиевый двутавр →
    Алюминиевый круг →
    Алюминиевый перфорированный лист →
    Алюминиевый порошок →
    Алюминиевый пруток →
    Алюминиевый рифленый лист →
    Алюминиевый рулон →
    Алюминиевый тавр →
    Алюминиевый уголок →
    Алюминиевый швеллер →
    Алюминиевый шестигранник →
    Анодированный прокат →
    Гильзы алюминиевые →
    Дюралевый прокат →
    Электрокорунд →

    Бронзовый прокат

    Бронзовая лента →
    Бронзовая плита →
    Бронзовая полоса →
    Бронзовая проволока →
    Бронзовая пудра →
    Бронзовая сетка →
    Бронзовая труба →
    Бронзовая фольга →
    Бронзовая чушка →
    Бронзовые фитинги →
    Бронзовый квадрат →
    Бронзовый круг →
    Бронзовый лист →
    Бронзовый порошок →
    Бронзовый пруток →
    Бронзовый шестигранник →

    Гафний

    Гафниевая полоса →
    Гафниевая проволока →
    Гафниевая фольга →
    Гафниевый порошок →
    Гафниевый пруток →

    Латунный прокат

    Латунные фитинги →
    Чушки латунные →

    Медный прокат

    Трубы из меди →

    Цинковый прокат

    Цинковая проволока →
    Цинковая фольга →
    Цинковая чушка →
    Цинковый анод →
    Цинковый лист →
    Цинковый порошок →

    Цирконий

    Циркониевая лента →
    Циркониевая полоса →
    Циркониевая проволока →
    Циркониевая труба →
    Циркониевый катод →
    Циркониевый лист →
    Циркониевый порошок →
    Циркониевый пруток →

    Чугунные фитинги

    Адаптеры чугунные →
    Демонтажные вставки чугунные →
    Фильтры чугунные →
    Футорки чугунные →
    Хомуты ремонтные чугунные →
    Чугунная задвижка →
    Чугунная крестовина →
    Чугунная муфта →
    Чугунная пробка →
    Чугунное колено →
    Чугунные гайки →
    Чугунные пожарные подставки →
    Чугунный затвор →
    Чугунный клапан →
    Чугунный кран →
    Чугунный ниппель →
    Чугунный отвод →
    Чугунный патрубок →
    Чугунный тройник →
    Чугунный угольник →
    Чугунный фланец →

    Чугунный пруток

    Чугунный круг →

    Чушка чугунная

    Антифрикционный чугун →
    Чугун с вермикулярным графитом →
    Чугун с шаровидным графитом →

    Анкерная группа

    Анкерная тяга AT-d-l; ATл-d-l по серии 3.505.1-15.4 51000; 52000 →
    Анкерная тяга AT-d-S 3.505.1-15.4 50000 →
    Анкерная тяга ATс-d-l 3.505.1-15.4 53000 →
    Анкерные блоки →
    Анкерные болты →
    Анкерные плиты от м16 до м90 ГОСТ 24379.1-2012 (ГОСТ 24379.1-80) →

    Закладные детали по сериям

    Опоры →
    Петли →
    Хомуты →

    Закладные изделия МН

    Закладные изделия МН 101-164 →
    Закладные изделия МН 201-228 →
    Закладные изделия МН 301-323 →
    Закладные изделия МН 401-418 →
    Закладные изделия МН 501-571 →
    Закладные изделия МН 601-617 →
    Закладные изделия МН 701-795 →
    Закладные изделия МН 801-834 →

    Гетинакс

    Гетинакс листовой →
    Гетинакс фольгированный →

    Капролон

    Капролон пластина →
    Капролон плита →
    Капролон стержень →
    Капролон экструзионный стержень →
    Капролоновая втулка →

    Конструкционный пластик

    HPL пластик →
    АБС-пластик →
    Винипласт →
    Полиамид →
    Полиацеталь →
    Полиацеталь листовой →
    Полиуретан →
    Полиэтилен →
    Текстолит →
    Фторопласт →

    Оргстекло

    Блок оргстекла →
    Стержень оргстекла →
    Трубы из оргстекла →

    Паронит

    Паронит листовой →

    ПВХ (поливинилхлорид)

    Пластикат →
    Плиты ПВХ (поливинилхлорид) →
    Пруток ПВХ →

    Пластиковый стержень

    Фторопласт стержень →
    Эбонитовый стержень →

    Полимерные фитинги

    Втулка пластиковая (полимерная) →
    Хомуты ПНД →

    Полипропилен

    Ворс полипропиленовый →
    Ленты полипропиленовые →
    Нити полипропиленовые →
    Полипропиленовая труба →
    Полипропиленовые рулоны →
    Фиброволокно (фибра полипропиленовая) →
    Фильтры полипропиленовые →
    Хомуты полипропиленовые →
    Шпагаты полипропиленовые →

    Полиэтилентерефталат

    Полиэтилентерефталат гранулы →
    Полиэтилентерефталат пруток →
    Полиэтилентерефталатная пленка →

    Стеклотекстолит

    Стеклотекстолит стержень →
    Стеклотекстолит фольгированный →

    Эбонит

    Эбонитовая пластина →
    Эбонитовая трубка →

    Вентиляционное оборудование

    Аэраторы →
    Запчасти для вентиляционного оборудования →

    Горнодобывающее оборудование

    Буровое оборудование →
    Карьерное оборудование →
    Углеразмольное оборудование →

    Детали оборудования

    Бандажи сталь →
    Блюмы →
    Болты →
    Гайки шестигранные →
    Графитовые прокладки →
    Эксцентриковые валы →

    Дробильно-размольное оборудование

    Дробящие плиты щековых дробилок →

    Машиностроение

    Профили специального назначения →

    Насосы

    Дренажные насосы →
    Насосы для водоснабжения →
    Насосы для нефтепродуктов →
    Насосы специального назначения →
    Центробежные горизонтальные насосы →

    Оборудование для канализации

    Дренажная гофрированная труба →
    Дренажная керамическая труба →
    Дренажная перфорированная труба →
    Дренажная полимерная труба →
    Дренажная труба →

    Оборудование для литейного производства

    Тигли для плавки →

    Отопительное оборудование

    Калориферы →
    Теплообменники →

    Сварочное оборудование

    Припои из металла →
    Электроды →

    Счетчики газа

    Адаптеры для газового счетчика →
    Акустический фильтр для газового счетчика →

    Электротехническое оборудование

    Кабели →

    Индий

    Индиевая проволока →
    Индиевая фольга →
    Индиевый лист →
    Индиевый пруток →
    Слиток индия →

    Прецизионные сплавы

    Фехраль →

    Ферросплавы

    Ферроалюминий →
    Ферробор →
    Феррованадий →
    Ферровольфрам →
    Ферромарганец →
    Ферромолибден →
    Феррониобий →
    Ферросера →
    Ферросиликомарганец →
    Ферросилиций →
    Ферротитан →
    Феррохром →

    Кислоты

    Адипиновая кислота →
    Азотная кислота →
    Аминоуксусная кислота →
    Бензойная кислота →
    Борная кислота →
    Борфтористоводородная кислота →
    Фтористоводородная кислота →
    Фумаровая кислота →
    Хлорная кислота →

    Оксиды

    Диоксид титана →
    Хромовый ангидрид →

    Органические соединения

    Анилин →
    Ацетилацетон →
    Ацетонитрил →
    Бензол →
    Бензотриазол →
    Бутилацетат →
    Гексаметилентетрамин →
    Гептан →
    Гидрохинон →
    Деионизованная вода →
    Декстрин картофельный →
    Диметилглиоксим →
    Дифениламин →
    Диэтиламин →
    Диэтиловый эфир →
    Спирты →
    Формалин технический →
    Этилендиамин →

    Особо чистые вещества

    Аммиак водный осч →
    Аммоний фтористый →
    Графит порошковый →
    Диоксид титана осч →
    Изопропиловый спирт осч →
    Фтористоводородная кислота осч →
    Этиленгликоль →

    Соли

    Квасцы →
    Соли алюминия →
    Соли аммония →
    Соли бария →
    Соли висмута →
    Соли кадмия →
    Соли калия →
    Соли кальция →
    Соли кобальта →
    Соли лантана →
    Соли лития →
    Соли магния →
    Соли марганца →
    Соли меди →
    Соли натрия →
    Соли никеля →
    Соли олова →
    Соли свинца →
    Соли стронция →
    Соли цинка →

    Щёлочи

    Гидроксид алюминия →
    Гидроксид бария →
    Гидроксид калия →
    Гидроксид кальция →
    Гидроксид лития →
    Гидроксид магния →
    Гидроксид натрия →

    Арамид (кевлар)

    Арамидная ткань (кевларовая ткань) →
    Арамидные жгуты →
    Арамидные канаты →
    Арамидные нити →
    Арамидные шнуры →

    Стальной профилированный лист

    Для забора →
    Для кровли →
    Для фасада →
    Оцинкованный →
    Стеновой →
    Универсальный →

    Железобетонные мачты освещения

    Мачты осветительные серия 3.501.1-155 →
    Мачты осветительные серия 3.501.9-158 →
    Молниеотводы МЖ серия 3.407.9-172 →
    Прожекторные мачты ПМЖ серия 3.407.9-172 →

    Стальные мачты освещения из углового профиля

    Антенный молниеотвод АМ проект А105 →
    Мачты осветительные серия 3.501.2-123 →
    Молниеотводы МС серия 3.407.9-172 →
    Прожекторные мачты ПМС серия 3.407.9-172 →
    Прожекторные мачты ПМС серия РЛ/373-399 →
    Стержневой молниеотвод СМ проект А31-95 →

    Стальные многогранные и трубчатые мачты освещения

    Мачты освещения с мобильной короной →
    Мачты освещения с молниеприемником →
    Мачты освещения со стационарной решеткой или короной →
    Многогранные молниеотводы →

    Лестницы с ограждением

    Лестницы жестких поперечин →
    Лестницы светофорного мостика →

    Ригели жестких поперечин контактной сети

    Ригели без освещения проект №5254 →
    Ригели без освещения проект №6458и →
    Ригели с освещением проект №5254 →
    Ригели с освещением проект №6458и →

    Светофорные мостики

    Консоли светофоров →
    Люлька смотровая →
    Перильное ограждение →
    Ригели светофорных мостиков →

    Стойки опор контактной сети

    Железобетонные мачты светофоров типа МСЦ, МСНЦ →
    Железобетонные стойки опор контактной сети →
    Железобетонные стойки опор линий автоблокировки →
    Металлические стойки жестких поперечин и опор контактной сети →
    Металлические стойки опор линий автоблокировки →

    Узлы крепления конструкций

    Консольные столики →
    Оголовки →

    Фундаменты опор контактной сети

    Винтовые сваи и анкеры опор КС →
    Железобетонные фундаменты и анкеры опор КС →
    Лежни и опорные плиты →
    Металлические фундаменты и анкеры опор КС →
    Фундаменты мачт светофоров →

    Железобетонные опоры ЛЭП

    Металлоконструкции железобетонных опор →
    Новые железобетонные опоры →
    Стойки железобетонные вибрированные →
    Стойки железобетонные центрифугированные →
    Стойки железобетонные центрифугированные разборные →

    Металлические опоры ЛЭП

    Металлические решетчатые опоры →
    Металлические решетчатые опоры новой унификации →
    Стальные многогранные опоры →

    Железобетонные стойки опор освещения

    Стойки железобетонные для опор освещения СВН →
    Стойки железобетонные для опор освещения СКЦ →
    Стойки железобетонные для опор освещения СО →
    Стойки железобетонные для опор освещения СЦс, СНЦс →

    Кронштейны освещения

    Кронштейн двухрожковый →
    Кронштейн однорожковый →
    Кронштейн Т-образный →
    Кронштейн трехрожковый →
    Кронштейн Х-образный →
    Кронштейн четырехрожковый →

    Металлические опоры освещения

    Опоры городской контактной сети →
    Опоры освещения несиловые →
    Опоры освещения силовые →

    Траверсы

    Линейные траверсы →
    Траверсы для контейнеров →
    Траверсы пространственные Н-образные →
    Траверсы-спредеры →

    Арматурные каркасы

    Плоские арматурные каркасы →
    Пространственные арматурные каркасы →

    Лестницы металлические и ограждения для лестниц

    Лестницы ЛГВ →
    Лестницы ЛГР →
    Лестницы ЛГФ →
    Лестницы ЛХВ →
    Лестницы ЛХР →
    Лестницы ЛХФ →
    Ограждения →
    Ограждения лестниц ОЛГ →
    Ограждения лестниц ОЛХ →

    Металлические ригели

    Ригели из стали С 245 →
    Ригели из стали С 345 →
    Ригели из стали С 345К При болтовом соединении накладок →
    Ригели из стали С 345К При сварном соединении накладок →

    Металлические фермы

    Ферма двускатная →
    Ферма прямая →
    Ферма треугольная →

    Металлические эстакады

    Кабельные эстакады →

    Площадки металлические и ограждения для площадок

    Ограждения площадок боковые →
    Ограждения площадок торцевые →
    Площадки →
    Площадки переходные →
    Площадки промышленные →

    Рамные конструкции

    Г-образные рамные конструкции →
    П-образные рамные опоры →
    Т-образные рамные конструкции →

    Стремянки металлические и ограждения

    Ограждения стремянки ОСГ →
    Ограждения стремянки ОСХ →
    Стремянки и Лестницы →
    Стремянки СГ →
    Стремянки СХ →
    Стремянки ТПР →

    Винтовые сваи

    Сваи винтовые ВСЛ, ВСЛМ, ВС, ВСМ серия 20006тм →
    Сваи винтовые с литым наконечником СВЛ, СВЛМ →
    Сваи винтовые со сварным наконечником СВ, СВМ →
    Сваи и анкера винтовые серия 3.407.9-158 →

    Железобетонные фундаменты опор ЛЭП

    Анкерные фундаменты →
    Детали составных фундаментов →
    Опорные плиты →
    Приставки →
    Ригели →
    Сваи →
    Фундаменты →
    Фундаменты новой унификации →
    Фундаменты секционированных опор →

    Металлоконструкции свайных фундаментов

    Свайные фундаменты и металлические ростверки серия 3.407-115 →
    Свайные фундаменты опор ЛЭП и балки ростверков серия 3.407.9-146 →
    Фундаменты опор ВЛ на винтовых сваях и балки ростверков серия 3.407.9-158 →
    Фундаменты опор ВЛ на винтовых сваях проект 20006тм →
    Фундаменты опор ВЛ на винтовых сваях проект 20015тм →

    Металлоконструкции спаренных фундаментов

    Балки спаренных фундаментов новой унификации →
    Балки спаренных фундаментов серия 3.407-115 →

    Сетка рабица

    Сетка рабица неоцинкованная →
    Сетка рабица оцинкованная →
    Сетка рабица с полимерным покрытием ПВХ →

    Сетка стальная сварная

    Сетка сварная из оцинкованной проволоки ВР-1 →
    Сетка сварная неоцинкованная →
    Сетка сварная нержавеющая →
    Сетка сварная оцинкованная →
    Сетка сварная с полимерным покрытием (ПВХ) →

    Стальная кладочная сетка

    Сетка сварная кладочная 3Вр1 →
    Сетка сварная кладочная 4Вр1 →

    Стальная тканая сетка

    Сетка тканая неоцинкованная →
    Сетка тканая оцинкованная →

    Стальная фильтровая сетка

    Сетка фильтровая по ТУ →
    Сетка фильтровая полотняного переплетения →
    Сетка фильтровая саржевого двойного переплетения →
    Сетка фильтровая саржевого переплетения →

    Стальная штукатурная сетка

    Сетка тканая штукатурная нержавеющая →
    Сетка тканая штукатурная оцинкованная →

    Быстрорежущая сталь

    Быстрорежущая полоса →
    Быстрорежущая проволока →
    Быстрорежущий квадрат →

    Круг инструментальный

    Быстрорежущий круг →

    Конструкционный лист

    Автоматный лист →
    Электротехнический лист →

    Листы из нержавеющей стали

    Гладкий нержавеющий лист →
    Лист нержавеющий декоративный →
    Нержавеющий перфорированный лист →
    Нержавеющий пищевой лист →
    Нержавеющий просечно-вытяжной лист →
    Нержавеющий рифленый лист →

    Нержавеющая проволочная сетка

    Нержавеющая рифленая сетка →
    Нержавеющая тканая сетка →
    Нержавеющая фильтровая сетка →
    Нержавеющая щелевая сетка →
    Сетка пищевая нержавеющая →
    Сетка плетеная нержавеющая →
    Сетка просечная нержавеющая →

    Нержавеющие профили

    L-образный профиль нержавеющий →
    Z-образный профиль нержавеющий →
    Г-образный профиль нержавеющий →
    П-образный профиль нержавеющий →
    Профиль нержавеющий квадратный →
    С-образный профиль нержавеющий →
    Т-образный профиль нержавеющий →

    Нержавеющие фитинги

    Бочонок нержавеющий →
    Вентили нержавеющие →
    Задвижки нержавеющие →
    Клапаны нержавеющие →
    Контргайки нержавеющие →
    Крестовины нержавеющие →
    Муфты нержавеющие →
    Нержавеющая заглушка →
    Нержавеющие краны →
    Нержавеющий ниппель →
    Нержавеющий отвод →
    Нержавеющий переход →
    Нержавеющий тройник →
    Нержавеющий фланец →
    Пресс-фитинги →
    Сгоны нержавеющие →

    Трубы из нержавеющей стали

    Нержавеющая бесшовная труба →
    Нержавеющая гофрированная труба →
    Нержавеющая капиллярная трубка →
    Нержавеющая обсадная труба →
    Нержавеющая оребренная труба →
    Нержавеющая перфорированная труба →
    Нержавеющая пищевая труба →
    Нержавеющая профильная труба →
    Нержавеющая труба →
    Нержавеющая труба ППУ →
    Нержавеющая электросварная труба →

    Оцинкованные трубы

    Круглая оцинкованная труба →
    Оцинкованная гофрированная труба →
    Оцинкованная квадратная труба →
    Оцинкованная овальная труба →
    Оцинкованная профильная труба →
    Оцинкованная прямоугольная труба →
    Труба ВГП (водогазопроводная) →
    Труба вентиляционная оцинкованная →
    Труба водосточная оцинкованная →

    Фитинги оцинкованные

    Бочонок оцинкованный →
    Заглушки оцинкованные →
    Контргайки оцинкованные →
    Муфты оцинкованные →
    Ниппели оцинкованные →
    Отводы оцинкованные →
    Переходы оцинкованные →
    Сгоны оцинкованные →
    Тройники оцинкованные →
    Фланцы оцинкованные →

    Автоматная сталь

    Автоматная плита →
    Автоматный квадрат →
    Автоматный шестигранник →

    Круг конструкционный

    Автоматный круг →
    Электротехнический круг →

    Электротехническая сталь

    Электротехническая лента →
    Электротехническая полоса →
    Электротехнический рулон →

    Судовая арматура

    Грязевые коробки →

    Алюминиевая труба

    Алюминиевая бурильная труба →
    Алюминиевая круглая труба →
    Алюминиевая прессованная труба →
    Алюминиевые профильные трубы →

    Алюминиевая шина

    Электротехническая →

    Алюминиевые профили

    Г-образный профиль алюминиевый →

    Анодированный прокат

    Анодированная полоса (лента) →
    Анодированная труба →
    Анодированный двутавр →
    Анодированный лист →
    Анодированный тавр →
    Анодированный уголок →
    Анодированный швеллер →

    Дюралевый прокат

    Дюралевая лента →
    Дюралевая плита →
    Дюралевая полоса →
    Дюралевая проволока →
    Дюралевая труба →
    Дюралевая чушка →
    Дюралевый квадрат →
    Дюралевый круг →
    Дюралевый лист →
    Дюралевый пруток →
    Дюралевый уголок →
    Дюралевый швеллер →
    Дюралевый шестигранник →

    Бронзовые фитинги

    Бронзовая втулка →
    Бронзовый вкладыш →
    Бронзовый клапан →

    Латунные фитинги

    Латунные аксиальные фитинги →
    Футорки латунные →

    Трубы из меди

    Газовая медная труба →

    Анкерные болты

    Фундаментные болты ГОСТ 24379.1-2012 →

    АБС-пластик

    АБС-пластик листовой →

    Полиэтилен

    Газовая полиэтиленовая труба →
    ПЭ адаптеры →

    Фторопласт

    Фторопласт листовой →
    Фторопластовая лента →
    Фторопластовая пластина →
    Фторопластовая пленка →
    Фторопластовая прокладка →
    Фторопластовая трубка →
    ФУМ →

    Втулка пластиковая (полимерная)

    Фторопластовые втулки →

    Запчасти для вентиляционного оборудования

    Бункерные устройства →
    Гибкие вставки →

    Буровое оборудование

    Буровые насосы →
    Инструменты для бурового оборудования →
    Очистительное оборудование →
    Силовое оборудование →
    Спуско-подъемное оборудование →

    Карьерное оборудование

    Дефлекторы карьерной техники →

    Углеразмольное оборудование

    Била стальные →
    Отливки броней →

    Профили специального назначения

    Башмак гусеницы трактора →

    Насосы для водоснабжения

    Бытовые насосы →
    Насосы для водяных систем →

    Насосы для нефтепродуктов

    Бензиновые насосы →
    Битумные насосы →

    Насосы специального назначения

    Бочковые насосы →

    Тигли для плавки

    Графитовые тигли →

    Калориферы

    Электрокалориферы →

    Теплообменники

    Грязевики для системы отопления →

    Припои из металла

    Фольга припоя →

    Адаптеры для газового счетчика

    Адаптер GSM →
    Адаптер RS →
    Адаптер USB →

    Кабели

    Кабель бронированный →
    Кабель гибкий →
    Слаботочный кабель →

    Фехраль

    Фехралевая проволока →

    Спирты

    Бензиловый спирт →
    Бутиловый спирт →
    Глицерин →
    Диэтиленгликоль →
    Изобутиловый спирт →
    Изопропиловый спирт →
    Циклогексанол →

    Квасцы

    Алюмоаммонийные квасцы →
    Алюмокалиевые квасцы →
    Хромокалиевые квасцы →

    Соли алюминия

    Фторид алюминия →
    Хлорид алюминия →

    Соли аммония

    Ацетат аммония →
    Бензоат аммония →
    Бромид аммония →
    Гидрокарбонат аммония →
    Гидрофосфат аммония →
    Дихромат аммония →
    Йодид аммония →
    Формиат аммония →
    Фторид аммония →
    Хлорид аммония →
    Хромат аммония →
    Цитрат аммония →

    Соли бария

    Ацетат бария →
    Хлорид бария →
    Хромат бария →

    Соли висмута

    Хлорид висмута →

    Соли кадмия

    Ацетат кадмия →
    Хлорид кадмия →

    Соли калия

    Бромид калия →
    Гексацианоферрат калия →
    Дихромат калия →
    Йодат калия →
    Фторид калия →
    Хлорид калия →
    Хромат калия →
    Цитрат калия →

    Соли кальция

    Гипохлорит кальция →
    Йодат кальция →
    Фторид кальция →
    Хлорид кальция →

    Соли кобальта

    Ацетат кобальта →
    Хлорид кобальта →

    Соли лантана

    Хлорид лантана →

    Соли лития

    Бромид лития →
    Хлорид лития →

    Соли магния

    Ацетат магния →
    Фторид магния →
    Хлорид магния →

    Соли марганца

    Ацетат марганца →
    Хлорид марганца →

    Соли меди

    Ацетат меди →
    Хлорид меди →

    Соли натрия

    Ацетат натрия →
    Бензоат натрия →
    Бисульфит натрия →
    Бихромат натрия →
    Бромид натрия →
    Гидрофосфат натрия →
    Гипофосфит натрия →
    Гипохлорит натрия →
    Йодид натрия →
    Фторид натрия →
    Хлорид натрия →
    Цитрат натрия →

    Соли никеля

    Хлорид никеля →

    Соли олова

    Хлорид олова →

    Соли свинца

    Ацетат свинца →
    Хлорид свинца →

    Соли стронция

    Хлорид стронция →

    Соли цинка

    Ацетат цинка →
    Фторид цинка →
    Хлорид цинка →
    Цинк фосфорнокислый →
    Цинк щавелевокислый →
    Услуги
    Доставка
    Оплата
    Компания
    • О компании
    • ГОСТы
    • Сертификаты
    • Производители
    • Партнеры
    • Вакансии
    • Реквизиты
    • Благодарности
    Галерея
    Контакты
    Статьи
      Санкт-Петербург
      Санкт-Петербург
      Москва
      +7 812 467-99-88
      Режим работы
      Пн. – Пт.: с 9:00 до 18:00
      +7 812 467-99-88 Офис СПБ
      Заказать звонок
      E-mail
      info@nial.group
      Адрес
      г. Санкт-Петербург, пр. Обуховской Обороны, д. 112, БЦ Вант, офис 224А
      Режим работы
      Пн. – Пт.: с 9:00 до 18:00
      info@nial.group
      Рассчитать заказ
      Сайт nial.group
      Металлопрокат
      Специальные стали
      Металлоконструкции
      Телефоны
      +7 812 467-99-88 Офис СПБ
      Заказать звонок
      E-mail
      info@nial.group
      Адрес
      г. Санкт-Петербург, пр. Обуховской Обороны, д. 112, БЦ Вант, офис 224А
      Режим работы
      Пн. – Пт.: с 9:00 до 18:00
      Сайт nial.group
      • Санкт-Петербург
        • Города
        • Санкт-Петербург
        • Москва
      • Кабинет
      • Каталог металлопродукции
        • Каталог металлопродукции
        • Круг металлический
          • Круг металлический
          • Автоматный круг
          • Быстрорежущий круг
          • Валковый круг
          • Жаропрочный круг
          • Круги из сплавов
            • Круги из сплавов
            • Бронзовый круг
            • Латунный круг
          • Круги калиброванные
          • Круги цветных металлов
            • Круги цветных металлов
            • Алюминиевый круг
            • Дюралевый круг
            • Медный круг
            • Свинцовый круг
            • Титановый круг
          • Низколегированный круг
          • Подшипниковый круг
          • Рессорно-пружинный круг
          • Стальной круг
          • Чугунный круг
          • Штамповой круг
          • Электротехнический круг
        • Металлический лист
          • Металлический лист
          • Асбест листовой
          • Листовая сталь
            • Листовая сталь
            • Быстрорежущий лист
            • Жаропрочный лист
            • Жесть
            • Кислотостойкий лист
            • Лист с полимерным покрытием
            • Лист стали
            • Стальной гофрированный лист
            • Стальной перфорированный лист
            • Стальной просечно-вытяжной лист
            • Стальной профилированный лист
            • Стальной рифленый лист
            • Судовой лист
          • Листы из сплавов
            • Листы из сплавов
            • Бронзовый лист
            • Латунный лист
            • Прецизионный лист
            • Тугоплавкий лист
          • Листы износостойкие
          • Листы полимерные
            • Листы полимерные
            • АБС-пластик листовой
            • Винипласт листовой
            • Гетинакс листовой
            • Капролон листовой
            • Лист оргстекла
            • Лист ПЭТ (полиэтилентерефталат)
            • Миканит листовой
            • Паронит листовой
            • Полиацеталь листовой
            • Полистирол листовой
            • Полиуретан листовой
            • Стеклопластик листовой
            • Стеклотекстолит листовой
            • Текстолит листовой
            • Эбонит листовой
          • Листы цветных металлов
            • Листы цветных металлов
            • Алюминиевый лист гладкий
            • Алюминиевый перфорированный лист
            • Алюминиевый рифленый лист
            • Анодированный лист
            • Вольфрамовый лист
            • Дюралевый лист
            • Индиевый лист
            • Кадмиевый лист
            • Медный лист
            • Молибденовый лист
            • Ниобиевый лист
            • Свинцовый лист
            • Танталовый лист
            • Титановый лист
            • Циркониевый лист
          • Хризотилцементные листы (шифер)
          • Чугунный лист
        • Металлоконструкции
          • Металлоконструкции
          • Мачты освещения и молниеотводы
            • Мачты освещения и молниеотводы
            • Железобетонные мачты освещения
            • Стальные мачты освещения из углового профиля
            • Стальные многогранные и трубчатые мачты освещения
          • Металлоконструкции по чертежу
          • Опоры контактной сети железных дорог
            • Опоры контактной сети железных дорог
            • Лестницы с ограждением
            • Ригели жестких поперечин контактной сети
            • Светофорные мостики
            • Стойки опор контактной сети
            • Узлы крепления конструкций
            • Фундаменты опор контактной сети
          • Опоры ЛЭП
            • Опоры ЛЭП
            • Железобетонные опоры ЛЭП
            • Металлические опоры ЛЭП
          • Опоры освещения
            • Опоры освещения
            • Железобетонные стойки опор освещения
            • Кронштейны освещения
            • Металлические опоры освещения
          • Порталы ОРУ
            • Порталы ОРУ
            • Железобетонные порталы ОРУ
            • Железобетонные элементы подстанций
            • Порталы ОРУ для железных дорог
            • Стальные порталы ОРУ
          • Складские и логистические
            • Складские и логистические
            • Траверсы
          • Строительные
            • Строительные
            • Арматурные каркасы
            • Балки перекрытия
            • Винтовые сваи
            • Лестницы металлические и ограждения для лестниц
            • Металлические каркасы
            • Металлические ригели
            • Металлические фермы
            • Металлические эстакады
            • Площадки металлические и ограждения для площадок
            • Рамные конструкции
            • Стремянки металлические и ограждения
          • Фундаменты опор ЛЭП
            • Фундаменты опор ЛЭП
            • Винтовые сваи
            • Железобетонные фундаменты опор ЛЭП
            • Металлоконструкции свайных фундаментов
            • Металлоконструкции спаренных фундаментов
        • Метизы
          • Метизы
          • Болты БСР ГОСТ 28778-90
          • Болты высокопрочные ГОСТ Р 52644-2006 (ГОСТ 22353-77)
          • Гайки высокопрочные ГОСТ Р 52645-2006 (ГОСТ 22354-77)
          • Гайки по ГОСТ и DIN
          • Шайбы высокопрочные ГОСТ Р 52646-2006 (ГОСТ 22355-77)
          • Шайбы ГОСТ и DIN
          • Шпильки
          • Шпильки резьбовые собственного производства
        • Сетки
          • Сетки
          • Декоративные сетки
            • Декоративные сетки
            • Архитектурно-фасадная сетка
            • Металлические шторы
            • Сетка для ламинации
            • Тросиковая декоративная сетка
          • Каркасы, сетки по чертежу
          • Сетка из цветных металлов
            • Сетка из цветных металлов
            • Сетка бронзовая
            • Сетка вольфрамовая
            • Сетка латунная
            • Сетка магниевая
            • Сетка медная
            • Сетка молибденовая
            • Сетка никелевая
            • Сетка нихромовая
            • Сетка фехралевая
            • Сетка циркониевая
          • Сетка металлическая
            • Сетка металлическая
            • Сетка плетеная в ПВХ АЖУР
          • Сетка нержавеющая
            • Сетка нержавеющая
            • Сетка нержавеющая ГОСТ 3826-82
            • Сетка нержавеющая для сепарирования (мельничная)
            • Сетка нержавеющая зарубежной классификации mesh
            • Сетка нержавеющая из троса
            • Сетка нержавеющая конвейерная ТУ-14-4-460-88
            • Сетка нержавеющая сварная в картах
            • Сетка нержавеющая сварная в рулонах
            • Сетка нержавеющая тканая микронная
            • Сетка рифленая из нержавеющей проволоки
            • Сетка тканая нержавеющая
            • Сетка тканая нержавеющая саржевого плетения
          • Сетки из стали
            • Сетки из стали
            • Габионная сетка
            • Габионы
            • Канилированная сетка
            • Мелкая сетка
            • Мельничная сетка
            • Саржевая сетка
            • Сетка крученая
            • Сетка Манье
            • Сетка рабица
            • Сетка рукавная
            • Сетка стальная сварная
            • Сетка щелевая
            • Стальная арматурная сетка
            • Стальная дорожная сетка
            • Стальная кладочная сетка
            • Стальная плетеная сетка
            • Стальная просечно-вытяжная сетка
            • Стальная рифленая сетка
            • Стальная сетка
            • Стальная сетка семянка
            • Стальная тканая сетка
            • Стальная фильтровая сетка
            • Стальная штукатурная сетка
            • Тросиковая сетка
        • Сталь
          • Сталь
          • Арматура в бухтах
          • Арматура в прутках
          • Биметаллическая проволока
          • Двутавровые балки
            • Двутавровые балки
            • Специальные балки
          • Инструментальная сталь
            • Инструментальная сталь
            • Быстрорежущая сталь
            • Круг инструментальный
          • Листовая сталь
            • Листовая сталь
            • Бронелист
            • Быстрорежущий лист
            • Конструкционный лист
          • Нержавеющий прокат
            • Нержавеющий прокат
            • Втулка нержавеющая
            • Листы из нержавеющей стали
            • Нержавеющая бандажная лента
            • Нержавеющая заготовка
            • Нержавеющая круглая поковка
            • Нержавеющая лента
            • Нержавеющая монтажная лента
            • Нержавеющая перфорированная лента
            • Нержавеющая плита
            • Нержавеющая полоса
            • Нержавеющая проволока
            • Нержавеющая проволочная сетка
            • Нержавеющая пружинная проволока
            • Нержавеющая фольга
            • Нержавеющие профили
            • Нержавеющие фитинги
            • Нержавеющий канат
            • Нержавеющий квадрат
            • Нержавеющий круг
            • Нержавеющий пруток
            • Нержавеющий рулон
            • Нержавеющий уголок
            • Нержавеющий шестигранник
            • Пищевая проволока
            • Пищевой круг
            • Порошок нержавеющий
            • Трубы из нержавеющей стали
            • Швеллер нержавеющий
            • Шина нержавеющая
          • Оцинкованная сталь
            • Оцинкованная сталь
            • Втулка оцинкованная
            • Канат оцинкованный
            • Катанка оцинкованная
            • Оцинкованная лента
            • Оцинкованная перфорированная лента
            • Оцинкованная плита
            • Оцинкованная полоса
            • Оцинкованная проволока
            • Оцинкованная просечно-вытяжная сетка
            • Оцинкованная сварная сетка
            • Оцинкованная сетка
            • Оцинкованная сетка рабица
            • Оцинкованная тканая сетка
            • Оцинкованная шина
            • Оцинкованные трубы
            • Оцинкованный квадрат
            • Оцинкованный круг
            • Оцинкованный лист
            • Оцинкованный перфорированный лист
            • Оцинкованный профилированный лист
            • Оцинкованный профиль
            • Оцинкованный пруток
            • Оцинкованный рулон
            • Оцинкованный уголок
            • Оцинкованный швеллер
            • Оцинкованный шестигранник
            • Сетка кладочная оцинкованная
            • Сетка плетеная оцинкованная
            • Фитинги оцинкованные
            • Штрипс оцинкованный
          • Прокат из конструкционных сталей
            • Прокат из конструкционных сталей
            • Автоматная сталь
            • Круг конструкционный
            • Электротехническая сталь
          • Стальной трос
            • Стальной трос
            • Буровой канат
            • Канат грузоподъемный (грузовой)
          • Стальные профили
            • Стальные профили
            • Г-образный профиль стальной
          • Стальные фитинги
            • Стальные фитинги
            • Бочонок стальной
            • Хомуты стальные
          • Судостроительная сталь
            • Судостроительная сталь
            • Двери судовые
            • Судовая арматура
          • Центраторы колонн
        • Трубы
          • Трубы
          • Асбестовая труба (асбестоцементная)
            • Асбестовая труба (асбестоцементная)
            • Для газового котла
          • Биметаллическая оребренная труба
          • Биметаллические трубы
          • Жаропрочные трубы
            • Жаропрочные трубы
            • Для дымохода
          • Колонковая труба
          • Конструкционная труба
          • Котельная труба
          • Крекинговая труба
          • Магистральная труба
          • Обсадная труба
          • Прецизионная труба
          • Реакционные трубы
          • Стальная бесшовная труба
          • Стальная бурильная труба
          • Стальная газлифтная труба
          • Стальная газовая труба
          • Стальная гофрированная труба
          • Стальная нефтяная труба
          • Стальная овальная труба
          • Стальная оребренная труба
          • Стальная плоскоовальная труба
          • Стальная профильная труба
          • Стальная прямоугольная труба
          • Стальная труба в ППМ изоляции
          • Стальная труба круглая
          • Стальная труба отопления
          • Стальная электросварная труба
          • Труба в ВУС изоляции
          • Труба в ППУ изоляции
          • Труба НКБ
          • Труба НКВ
          • Труба НКМ
          • Труба НКТ
          • Труба сварная
          • Труба стальная квадратная
          • Труба ЦПП
          • Хромированная труба
          • Цельнотянутая труба
        • Цветные металлы
          • Цветные металлы
          • Алюминиевый прокат
            • Алюминиевый прокат
            • Алюминиевая катанка
            • Алюминиевая лента
            • Алюминиевая пластина
            • Алюминиевая плита
            • Алюминиевая полоса
            • Алюминиевая проволока
            • Алюминиевая пудра
            • Алюминиевая сварочная проволока
            • Алюминиевая сетка
            • Алюминиевая труба
            • Алюминиевая фольга
            • Алюминиевая чушка
            • Алюминиевая шина
            • Алюминиевые профили
            • Алюминиевый гладкий лист
            • Алюминиевый двутавр
            • Алюминиевый круг
            • Алюминиевый перфорированный лист
            • Алюминиевый порошок
            • Алюминиевый пруток
            • Алюминиевый рифленый лист
            • Алюминиевый рулон
            • Алюминиевый тавр
            • Алюминиевый уголок
            • Алюминиевый швеллер
            • Алюминиевый шестигранник
            • Анодированный прокат
            • Гильзы алюминиевые
            • Дюралевый прокат
            • Электрокорунд
          • Бронзовый прокат
            • Бронзовый прокат
            • Бронзовая лента
            • Бронзовая плита
            • Бронзовая полоса
            • Бронзовая проволока
            • Бронзовая пудра
            • Бронзовая сетка
            • Бронзовая труба
            • Бронзовая фольга
            • Бронзовая чушка
            • Бронзовые фитинги
            • Бронзовый квадрат
            • Бронзовый круг
            • Бронзовый лист
            • Бронзовый порошок
            • Бронзовый пруток
            • Бронзовый шестигранник
          • Гафний
            • Гафний
            • Гафниевая полоса
            • Гафниевая проволока
            • Гафниевая фольга
            • Гафниевый порошок
            • Гафниевый пруток
          • Латунный прокат
            • Латунный прокат
            • Латунные фитинги
            • Чушки латунные
          • Медный прокат
            • Медный прокат
            • Трубы из меди
          • Цинковый прокат
            • Цинковый прокат
            • Цинковая проволока
            • Цинковая фольга
            • Цинковая чушка
            • Цинковый анод
            • Цинковый лист
            • Цинковый порошок
          • Цирконий
            • Цирконий
            • Циркониевая лента
            • Циркониевая полоса
            • Циркониевая проволока
            • Циркониевая труба
            • Циркониевый катод
            • Циркониевый лист
            • Циркониевый порошок
            • Циркониевый пруток
        • Чугун
          • Чугун
          • Гидранты пожарные чугунные
          • Дождеприемники чугунные
          • Чугунная водосточная воронка
          • Чугунная дробь
          • Чугунная плита
          • Чугунные консоли
          • Чугунные тигли
          • Чугунные трубы
          • Чугунные фитинги
            • Чугунные фитинги
            • Адаптеры чугунные
            • Демонтажные вставки чугунные
            • Фильтры чугунные
            • Футорки чугунные
            • Хомуты ремонтные чугунные
            • Чугунная задвижка
            • Чугунная крестовина
            • Чугунная муфта
            • Чугунная пробка
            • Чугунное колено
            • Чугунные гайки
            • Чугунные пожарные подставки
            • Чугунный затвор
            • Чугунный клапан
            • Чугунный кран
            • Чугунный ниппель
            • Чугунный отвод
            • Чугунный патрубок
            • Чугунный тройник
            • Чугунный угольник
            • Чугунный фланец
          • Чугунный пруток
            • Чугунный пруток
            • Чугунный круг
          • Чушка чугунная
            • Чушка чугунная
            • Антифрикционный чугун
            • Чугун с вермикулярным графитом
            • Чугун с шаровидным графитом
        • Благородные металлы
          • Благородные металлы
          • Аноды золотые
          • Аноды из палладия
          • Иридиевая проволока
          • Иридиевые слитки
          • Серебро в гранулах
          • Фольга из иридия
          • Фольга из родия
          • Фольга серебро
        • Закладные детали
          • Закладные детали
          • Анкерная группа
            • Анкерная группа
            • Анкерная тяга AT-d-l; ATл-d-l по серии 3.505.1-15.4 51000; 52000
            • Анкерная тяга AT-d-S 3.505.1-15.4 50000
            • Анкерная тяга ATс-d-l 3.505.1-15.4 53000
            • Анкерные блоки
            • Анкерные болты
            • Анкерные плиты от м16 до м90 ГОСТ 24379.1-2012 (ГОСТ 24379.1-80)
          • Закладные детали по сериям
            • Закладные детали по сериям
            • Опоры
            • Петли
            • Хомуты
          • Закладные детали по чертежу
          • Закладные изделия МН
            • Закладные изделия МН
            • Закладные изделия МН 101-164
            • Закладные изделия МН 201-228
            • Закладные изделия МН 301-323
            • Закладные изделия МН 401-418
            • Закладные изделия МН 501-571
            • Закладные изделия МН 601-617
            • Закладные изделия МН 701-795
            • Закладные изделия МН 801-834
          • Пластины и косынки
        • Полимеры
          • Полимеры
          • Асботекстолит
          • Безасбестовый картон
          • Гетинакс
            • Гетинакс
            • Гетинакс листовой
            • Гетинакс фольгированный
          • Дюростон
          • Калибровочный воск
          • Капролон
            • Капролон
            • Капролон пластина
            • Капролон плита
            • Капролон стержень
            • Капролон экструзионный стержень
            • Капролоновая втулка
          • Картон
          • Конструкционный пластик
            • Конструкционный пластик
            • HPL пластик
            • АБС-пластик
            • Винипласт
            • Полиамид
            • Полиацеталь
            • Полиацеталь листовой
            • Полиуретан
            • Полиэтилен
            • Текстолит
            • Фторопласт
          • Лакоткань
          • Лист пенопласта
          • Оргстекло
            • Оргстекло
            • Блок оргстекла
            • Стержень оргстекла
            • Трубы из оргстекла
          • Паронит
            • Паронит
            • Паронит листовой
          • ПВХ (поливинилхлорид)
            • ПВХ (поливинилхлорид)
            • Пластикат
            • Плиты ПВХ (поливинилхлорид)
            • Пруток ПВХ
          • Пластиковый стержень
            • Пластиковый стержень
            • Фторопласт стержень
            • Эбонитовый стержень
          • Поликарбонат
          • Полимерные фитинги
            • Полимерные фитинги
            • Втулка пластиковая (полимерная)
            • Хомуты ПНД
          • Полипропилен
            • Полипропилен
            • Ворс полипропиленовый
            • Ленты полипропиленовые
            • Нити полипропиленовые
            • Полипропиленовая труба
            • Полипропиленовые рулоны
            • Фиброволокно (фибра полипропиленовая)
            • Фильтры полипропиленовые
            • Хомуты полипропиленовые
            • Шпагаты полипропиленовые
          • Полиэтилентерефталат
            • Полиэтилентерефталат
            • Полиэтилентерефталат гранулы
            • Полиэтилентерефталат пруток
            • Полиэтилентерефталатная пленка
          • Синтофлекс
          • Слопласт
          • Слюдопласт
          • Стеклолакоткань
          • Стекломиканит
          • Стеклопластик
          • Стеклотекстолит
            • Стеклотекстолит
            • Стеклотекстолит стержень
            • Стеклотекстолит фольгированный
          • Стеклоткань рулонная
          • Фторлакоткань
          • Эбонит
            • Эбонит
            • Эбонитовая пластина
            • Эбонитовая трубка
          • Эмаль
        • Оборудование
          • Оборудование
          • Вентиляционное оборудование
            • Вентиляционное оборудование
            • Аэраторы
            • Запчасти для вентиляционного оборудования
          • Горнодобывающее оборудование
            • Горнодобывающее оборудование
            • Буровое оборудование
            • Карьерное оборудование
            • Углеразмольное оборудование
          • Детали оборудования
            • Детали оборудования
            • Бандажи сталь
            • Блюмы
            • Болты
            • Гайки шестигранные
            • Графитовые прокладки
            • Эксцентриковые валы
          • Дробильно-размольное оборудование
            • Дробильно-размольное оборудование
            • Дробящие плиты щековых дробилок
          • Машиностроение
            • Машиностроение
            • Профили специального назначения
          • Насосы
            • Насосы
            • Дренажные насосы
            • Насосы для водоснабжения
            • Насосы для нефтепродуктов
            • Насосы специального назначения
            • Центробежные горизонтальные насосы
          • Оборудование для канализации
            • Оборудование для канализации
            • Дренажная гофрированная труба
            • Дренажная керамическая труба
            • Дренажная перфорированная труба
            • Дренажная полимерная труба
            • Дренажная труба
          • Оборудование для литейного производства
            • Оборудование для литейного производства
            • Тигли для плавки
          • Отопительное оборудование
            • Отопительное оборудование
            • Калориферы
            • Теплообменники
          • Сварочное оборудование
            • Сварочное оборудование
            • Припои из металла
            • Электроды
          • Счетчики газа
            • Счетчики газа
            • Адаптеры для газового счетчика
            • Акустический фильтр для газового счетчика
          • Электротехническое оборудование
            • Электротехническое оборудование
            • Кабели
        • Редкоземельные металлы
          • Редкоземельные металлы
          • Гадолиний
          • Диспрозий
          • Европий
          • Индий
            • Индий
            • Индиевая проволока
            • Индиевая фольга
            • Индиевый лист
            • Индиевый пруток
            • Слиток индия
          • Иттербий
          • Иттрий
          • Церий
          • Эрбий
        • Сплавы
          • Сплавы
          • Прецизионные сплавы
            • Прецизионные сплавы
            • Фехраль
          • Ферросплавы
            • Ферросплавы
            • Ферроалюминий
            • Ферробор
            • Феррованадий
            • Ферровольфрам
            • Ферромарганец
            • Ферромолибден
            • Феррониобий
            • Ферросера
            • Ферросиликомарганец
            • Ферросилиций
            • Ферротитан
            • Феррохром
        • Реактивы
          • Реактивы
          • Кислоты
            • Кислоты
            • Адипиновая кислота
            • Азотная кислота
            • Аминоуксусная кислота
            • Бензойная кислота
            • Борная кислота
            • Борфтористоводородная кислота
            • Фтористоводородная кислота
            • Фумаровая кислота
            • Хлорная кислота
          • Оксиды
            • Оксиды
            • Диоксид титана
            • Хромовый ангидрид
          • Органические соединения
            • Органические соединения
            • Анилин
            • Ацетилацетон
            • Ацетонитрил
            • Бензол
            • Бензотриазол
            • Бутилацетат
            • Гексаметилентетрамин
            • Гептан
            • Гидрохинон
            • Деионизованная вода
            • Декстрин картофельный
            • Диметилглиоксим
            • Дифениламин
            • Диэтиламин
            • Диэтиловый эфир
            • Спирты
            • Формалин технический
            • Этилендиамин
          • Особо чистые вещества
            • Особо чистые вещества
            • Аммиак водный осч
            • Аммоний фтористый
            • Графит порошковый
            • Диоксид титана осч
            • Изопропиловый спирт осч
            • Фтористоводородная кислота осч
            • Этиленгликоль
          • Соли
            • Соли
            • Квасцы
            • Соли алюминия
            • Соли аммония
            • Соли бария
            • Соли висмута
            • Соли кадмия
            • Соли калия
            • Соли кальция
            • Соли кобальта
            • Соли лантана
            • Соли лития
            • Соли магния
            • Соли марганца
            • Соли меди
            • Соли натрия
            • Соли никеля
            • Соли олова
            • Соли свинца
            • Соли стронция
            • Соли цинка
          • Фреон
          • Щёлочи
            • Щёлочи
            • Гидроксид алюминия
            • Гидроксид бария
            • Гидроксид калия
            • Гидроксид кальция
            • Гидроксид лития
            • Гидроксид магния
            • Гидроксид натрия
        • Композиты
          • Композиты
          • Алюминиевые композитные листы
          • Арамид (кевлар)
            • Арамид (кевлар)
            • Арамидная ткань (кевларовая ткань)
            • Арамидные жгуты
            • Арамидные канаты
            • Арамидные нити
            • Арамидные шнуры
          • Графитовый стержень
          • Изофлекс
          • Компаунды
          • Композитный решетчатый настил
          • Лавитерм
          • Преформы
          • Углеродное волокно
          • Углеродные нити
      • Услуги
      • Доставка
      • Оплата
      • Компания
        • Компания
        • О компании
        • ГОСТы
        • Сертификаты
        • Производители
        • Партнеры
        • Вакансии
        • Реквизиты
        • Благодарности
      • Галерея
      • Контакты
      • Статьи
      Рассчитать заказ
      • 0 Корзина
      • Металлический калькулятор
      • +7 812 467-99-88 Офис СПБ
        • Телефоны
        • +7 812 467-99-88 Офис СПБ
        • Заказать звонок
      • г. Санкт-Петербург, пр. Обуховской Обороны, д. 112, БЦ Вант, офис 224А
      • info@nial.group
      • Пн. – Пт.: с 9:00 до 18:00
      Главная
      —
      Металлоконструкции
      —
      Опоры ЛЭП
      —
      Металлические опоры ЛЭП
      —Металлические решетчатые опоры новой унификации

      Металлические решетчатые опоры новой унификации

      Прокрутить к каталогу
      Сортамент товаров актуализирован:  09.10.2025
      Фильтр
      Промежуточная опора П220н-4.4т-7.5, чертеж 7.220.03-КМ4.01 С345 горячее оцинкование
      Промежуточная опора П220н-4.4т-7.5, чертеж 7.220.03-КМ4.01 С345 горячее оцинкование
      Под заказ
      Арт. 12682
      Подробнее
      Запросить цену
      Тип
      П220н
      Конструкция
      из углового проката
      Обозначение
      П220н-4.4т-7.5
      Вес, кг
      8131
      Назначение
      Промежуточная
      Валюта для цены
      RUB
      Базовая единица
      шт
      Исполнение
      пониженное
      Марка стали
      С345
      Антикоррозионное покрытие
      горячее оцинкование
      Класс напряжения
      220 кВ
      Количество цепей
      Двухцепная
      Типовой проект
      7.220.03-КМ4.01
      Высота, м
      35.2
      Тип секций
      разборные на болтах
      Соединение секций
      накладками на болтах
      Конструктивное исполнение
      свободностоящая
      Климатическое исполнение
      северное
      Ветровой район
      V
      Промежуточная опора П220н-4.4т-7.5, чертеж 7.220.03-КМ4.01 С245 горячее оцинкование
      Промежуточная опора П220н-4.4т-7.5, чертеж 7.220.03-КМ4.01 С245 горячее оцинкование
      Под заказ
      Арт. 12682
      Подробнее
      Запросить цену
      Тип
      П220н
      Конструкция
      из углового проката
      Обозначение
      П220н-4.4т-7.5
      Вес, кг
      8131
      Назначение
      Промежуточная
      Валюта для цены
      RUB
      Базовая единица
      шт
      Исполнение
      пониженное
      Марка стали
      С245
      Антикоррозионное покрытие
      горячее оцинкование
      Класс напряжения
      220 кВ
      Количество цепей
      Двухцепная
      Типовой проект
      7.220.03-КМ4.01
      Высота, м
      35.2
      Тип секций
      разборные на болтах
      Соединение секций
      накладками на болтах
      Конструктивное исполнение
      свободностоящая
      Климатическое исполнение
      рядовое
      Ветровой район
      V
      Промежуточная опора П220н-4.2, чертеж 7.220.03-КМ4.01 С345 горячее оцинкование
      Промежуточная опора П220н-4.2, чертеж 7.220.03-КМ4.01 С345 горячее оцинкование
      Под заказ
      Арт. 12662
      Подробнее
      Запросить цену
      Тип
      П220н
      Конструкция
      из углового проката
      Обозначение
      П220н-4.2
      Вес, кг
      9405
      Назначение
      Промежуточная
      Валюта для цены
      RUB
      Базовая единица
      шт
      Исполнение
      рядовое
      Марка стали
      С345
      Антикоррозионное покрытие
      горячее оцинкование
      Класс напряжения
      220 кВ
      Количество цепей
      Двухцепная
      Типовой проект
      7.220.03-КМ4.01
      Высота, м
      44
      Тип секций
      разборные на болтах
      Соединение секций
      накладками на болтах
      Конструктивное исполнение
      свободностоящая
      Климатическое исполнение
      северное
      Ветровой район
      V
      Промежуточная опора П220н-4.2, чертеж 7.220.03-КМ4.01 С245 горячее оцинкование
      Промежуточная опора П220н-4.2, чертеж 7.220.03-КМ4.01 С245 горячее оцинкование
      Под заказ
      Арт. 12662
      Подробнее
      Запросить цену
      Тип
      П220н
      Конструкция
      из углового проката
      Обозначение
      П220н-4.2
      Вес, кг
      9405
      Назначение
      Промежуточная
      Валюта для цены
      RUB
      Базовая единица
      шт
      Исполнение
      рядовое
      Марка стали
      С245
      Антикоррозионное покрытие
      горячее оцинкование
      Класс напряжения
      220 кВ
      Количество цепей
      Двухцепная
      Типовой проект
      7.220.03-КМ4.01
      Высота, м
      44
      Тип секций
      разборные на болтах
      Соединение секций
      накладками на болтах
      Конструктивное исполнение
      свободностоящая
      Климатическое исполнение
      рядовое
      Ветровой район
      V
      Промежуточная опора П220н-2.1пг-9.3, чертеж 7.220.01-КМ2.01 С345 горячее оцинкование
      Промежуточная опора П220н-2.1пг-9.3, чертеж 7.220.01-КМ2.01 С345 горячее оцинкование
      Под заказ
      Арт. 12556
      Подробнее
      Запросить цену
      Тип
      П220н
      Конструкция
      из углового проката
      Обозначение
      П220н-2.1пг-9.3
      Вес, кг
      6452
      Назначение
      Промежуточная
      Валюта для цены
      RUB
      Базовая единица
      шт
      Исполнение
      пониженное
      Марка стали
      С345
      Антикоррозионное покрытие
      горячее оцинкование
      Класс напряжения
      220 кВ
      Количество цепей
      Двухцепная
      Типовой проект
      7.220.01-КМ2.01
      Высота, м
      35.4
      Тип секций
      разборные на болтах
      Соединение секций
      накладками на болтах
      Конструктивное исполнение
      свободностоящая
      Климатическое исполнение
      северное
      Ветровой район
      II
      Промежуточная опора П220н-2.1пг-9.3, чертеж 7.220.01-КМ2.01 С245 горячее оцинкование
      Промежуточная опора П220н-2.1пг-9.3, чертеж 7.220.01-КМ2.01 С245 горячее оцинкование
      Под заказ
      Арт. 12556
      Подробнее
      Запросить цену
      Тип
      П220н
      Конструкция
      из углового проката
      Обозначение
      П220н-2.1пг-9.3
      Вес, кг
      6452
      Назначение
      Промежуточная
      Валюта для цены
      RUB
      Базовая единица
      шт
      Исполнение
      пониженное
      Марка стали
      С245
      Антикоррозионное покрытие
      горячее оцинкование
      Класс напряжения
      220 кВ
      Количество цепей
      Двухцепная
      Типовой проект
      7.220.01-КМ2.01
      Высота, м
      35.4
      Тип секций
      разборные на болтах
      Соединение секций
      накладками на болтах
      Конструктивное исполнение
      свободностоящая
      Климатическое исполнение
      рядовое
      Ветровой район
      II
      Промежуточная опора П220н-2.4т+3.2, чертеж 7.220.01-КМ2.01 С345 горячее оцинкование
      Промежуточная опора П220н-2.4т+3.2, чертеж 7.220.01-КМ2.01 С345 горячее оцинкование
      Под заказ
      Арт. 12554
      Подробнее
      Запросить цену
      Тип
      П220н
      Конструкция
      из углового проката
      Обозначение
      П220н-2.4т+3.2
      Вес, кг
      10946
      Назначение
      Промежуточная
      Валюта для цены
      RUB
      Базовая единица
      шт
      Исполнение
      повышенное
      Марка стали
      С345
      Антикоррозионное покрытие
      горячее оцинкование
      Класс напряжения
      220 кВ
      Количество цепей
      Двухцепная
      Типовой проект
      7.220.01-КМ2.01
      Высота, м
      50
      Тип секций
      разборные на болтах
      Соединение секций
      накладками на болтах
      Конструктивное исполнение
      свободностоящая
      Климатическое исполнение
      северное
      Ветровой район
      III
      Промежуточная опора П220н-2.4т+3.2, чертеж 7.220.01-КМ2.01 С245 горячее оцинкование
      Промежуточная опора П220н-2.4т+3.2, чертеж 7.220.01-КМ2.01 С245 горячее оцинкование
      Под заказ
      Арт. 12554
      Подробнее
      Запросить цену
      Тип
      П220н
      Конструкция
      из углового проката
      Обозначение
      П220н-2.4т+3.2
      Вес, кг
      10946
      Назначение
      Промежуточная
      Валюта для цены
      RUB
      Базовая единица
      шт
      Исполнение
      повышенное
      Марка стали
      С245
      Антикоррозионное покрытие
      горячее оцинкование
      Класс напряжения
      220 кВ
      Количество цепей
      Двухцепная
      Типовой проект
      7.220.01-КМ2.01
      Высота, м
      50
      Тип секций
      разборные на болтах
      Соединение секций
      накладками на болтах
      Конструктивное исполнение
      свободностоящая
      Климатическое исполнение
      рядовое
      Ветровой район
      III
      Промежуточная опора П220н-2.3+3.2, чертеж 7.220.01-КМ2.01 С345 горячее оцинкование
      Промежуточная опора П220н-2.3+3.2, чертеж 7.220.01-КМ2.01 С345 горячее оцинкование
      Под заказ
      Арт. 12528
      Подробнее
      Запросить цену
      Тип
      П220н
      Конструкция
      из углового проката
      Обозначение
      П220н-2.3+3.2
      Вес, кг
      9954
      Назначение
      Промежуточная
      Валюта для цены
      RUB
      Базовая единица
      шт
      Исполнение
      повышенное
      Марка стали
      С345
      Антикоррозионное покрытие
      горячее оцинкование
      Класс напряжения
      220 кВ
      Количество цепей
      Двухцепная
      Типовой проект
      7.220.01-КМ2.01
      Высота, м
      49.3
      Тип секций
      разборные на болтах
      Соединение секций
      накладками на болтах
      Конструктивное исполнение
      свободностоящая
      Климатическое исполнение
      северное
      Ветровой район
      II
      Промежуточная опора П220н-2.3+3.2, чертеж 7.220.01-КМ2.01 С245 горячее оцинкование
      Промежуточная опора П220н-2.3+3.2, чертеж 7.220.01-КМ2.01 С245 горячее оцинкование
      Под заказ
      Арт. 12528
      Подробнее
      Запросить цену
      Тип
      П220н
      Конструкция
      из углового проката
      Обозначение
      П220н-2.3+3.2
      Вес, кг
      9954
      Назначение
      Промежуточная
      Валюта для цены
      RUB
      Базовая единица
      шт
      Исполнение
      повышенное
      Марка стали
      С245
      Антикоррозионное покрытие
      горячее оцинкование
      Класс напряжения
      220 кВ
      Количество цепей
      Двухцепная
      Типовой проект
      7.220.01-КМ2.01
      Высота, м
      49.3
      Тип секций
      разборные на болтах
      Соединение секций
      накладками на болтах
      Конструктивное исполнение
      свободностоящая
      Климатическое исполнение
      рядовое
      Ветровой район
      II
      Промежуточная опора П220н-1.1пг+6.0, чертеж 7.220.01-КМ1.01 С345 горячее оцинкование
      Промежуточная опора П220н-1.1пг+6.0, чертеж 7.220.01-КМ1.01 С345 горячее оцинкование
      Под заказ
      Арт. 12488
      Подробнее
      Запросить цену
      Тип
      П220н
      Конструкция
      из углового проката
      Обозначение
      П220н-1.1пг+6.0
      Вес, кг
      6802
      Назначение
      Промежуточная
      Валюта для цены
      RUB
      Базовая единица
      шт
      Исполнение
      повышенное
      Марка стали
      С345
      Антикоррозионное покрытие
      горячее оцинкование
      Класс напряжения
      220 кВ
      Количество цепей
      Одноцепная
      Типовой проект
      7.220.01-КМ1.01
      Высота, м
      44.1
      Тип секций
      разборные на болтах
      Соединение секций
      накладками на болтах
      Конструктивное исполнение
      свободностоящая
      Климатическое исполнение
      северное
      Ветровой район
      II
      Промежуточная опора П220н-1.1пг+6.0, чертеж 7.220.01-КМ1.01 С245 горячее оцинкование
      Промежуточная опора П220н-1.1пг+6.0, чертеж 7.220.01-КМ1.01 С245 горячее оцинкование
      Под заказ
      Арт. 12488
      Подробнее
      Запросить цену
      Тип
      П220н
      Конструкция
      из углового проката
      Обозначение
      П220н-1.1пг+6.0
      Вес, кг
      6802
      Назначение
      Промежуточная
      Валюта для цены
      RUB
      Базовая единица
      шт
      Исполнение
      повышенное
      Марка стали
      С245
      Антикоррозионное покрытие
      горячее оцинкование
      Класс напряжения
      220 кВ
      Количество цепей
      Одноцепная
      Типовой проект
      7.220.01-КМ1.01
      Высота, м
      44.1
      Тип секций
      разборные на болтах
      Соединение секций
      накладками на болтах
      Конструктивное исполнение
      свободностоящая
      Климатическое исполнение
      рядовое
      Ветровой район
      II
      Промежуточная опора П220н-1.2т, чертеж 7.220.01-КМ1.01 С345 горячее оцинкование
      Промежуточная опора П220н-1.2т, чертеж 7.220.01-КМ1.01 С345 горячее оцинкование
      Под заказ
      Арт. 12446
      Подробнее
      Запросить цену
      Тип
      П220н
      Конструкция
      из углового проката
      Обозначение
      П220н-1.2т
      Вес, кг
      5656
      Назначение
      Промежуточная
      Валюта для цены
      RUB
      Базовая единица
      шт
      Исполнение
      рядовое
      Марка стали
      С345
      Антикоррозионное покрытие
      горячее оцинкование
      Класс напряжения
      220 кВ
      Количество цепей
      Одноцепная
      Типовой проект
      7.220.01-КМ1.01
      Высота, м
      38.1
      Тип секций
      разборные на болтах
      Соединение секций
      накладками на болтах
      Конструктивное исполнение
      свободностоящая
      Климатическое исполнение
      северное
      Ветровой район
      III
      Промежуточная опора П220н-1.2т, чертеж 7.220.01-КМ1.01 С245 горячее оцинкование
      Промежуточная опора П220н-1.2т, чертеж 7.220.01-КМ1.01 С245 горячее оцинкование
      Под заказ
      Арт. 12446
      Подробнее
      Запросить цену
      Тип
      П220н
      Конструкция
      из углового проката
      Обозначение
      П220н-1.2т
      Вес, кг
      5656
      Назначение
      Промежуточная
      Валюта для цены
      RUB
      Базовая единица
      шт
      Исполнение
      рядовое
      Марка стали
      С245
      Антикоррозионное покрытие
      горячее оцинкование
      Класс напряжения
      220 кВ
      Количество цепей
      Одноцепная
      Типовой проект
      7.220.01-КМ1.01
      Высота, м
      38.1
      Тип секций
      разборные на болтах
      Соединение секций
      накладками на болтах
      Конструктивное исполнение
      свободностоящая
      Климатическое исполнение
      рядовое
      Ветровой район
      III
      Анкерно-угловая опора У500н-1+12, чертеж 7.500.01-КМ4 С345 горячее оцинкование
      Анкерно-угловая опора У500н-1+12, чертеж 7.500.01-КМ4 С345 горячее оцинкование
      Под заказ
      Арт. 12996
      Подробнее
      Запросить цену
      Тип
      У500н
      Конструкция
      из углового проката
      Обозначение
      У500н-1+12
      Вес, кг
      40374
      Назначение
      Анкерно-угловая
      Валюта для цены
      RUB
      Базовая единица
      шт
      Исполнение
      повышенное
      Марка стали
      С345
      Антикоррозионное покрытие
      горячее оцинкование
      Класс напряжения
      500 кВ
      Количество цепей
      Одноцепная
      Типовой проект
      7.500.01-КМ4
      Высота, м
      37.52
      Тип секций
      разборные на болтах
      Соединение секций
      накладками на болтах
      Конструктивное исполнение
      свободностоящая
      Климатическое исполнение
      северное
      Ветровой район
      II-V
      Анкерно-угловая опора У500н-1+12, чертеж 7.500.01-КМ4 С245 горячее оцинкование
      Анкерно-угловая опора У500н-1+12, чертеж 7.500.01-КМ4 С245 горячее оцинкование
      Под заказ
      Арт. 12996
      Подробнее
      Запросить цену
      Тип
      У500н
      Конструкция
      из углового проката
      Обозначение
      У500н-1+12
      Вес, кг
      40374
      Назначение
      Анкерно-угловая
      Валюта для цены
      RUB
      Базовая единица
      шт
      Исполнение
      повышенное
      Марка стали
      С245
      Антикоррозионное покрытие
      горячее оцинкование
      Класс напряжения
      500 кВ
      Количество цепей
      Одноцепная
      Типовой проект
      7.500.01-КМ4
      Высота, м
      37.52
      Тип секций
      разборные на болтах
      Соединение секций
      накладками на болтах
      Конструктивное исполнение
      свободностоящая
      Климатическое исполнение
      рядовое
      Ветровой район
      II-V
      Промежуточная косогорная опора П500н-1-1.04, чертеж 7.500.01-КМ1 С345 горячее оцинкование
      Промежуточная косогорная опора П500н-1-1.04, чертеж 7.500.01-КМ1 С345 горячее оцинкование
      Под заказ
      Арт. 12960
      Подробнее
      Запросить цену
      Тип
      П500н
      Конструкция
      из углового проката
      Обозначение
      П500н-1-1.04
      Вес, кг
      9364
      Назначение
      Промежуточная косогорная
      Валюта для цены
      RUB
      Базовая единица
      шт
      Исполнение
      рядовое
      Марка стали
      С345
      Антикоррозионное покрытие
      горячее оцинкование
      Класс напряжения
      500 кВ
      Количество цепей
      Одноцепная
      Типовой проект
      7.500.01-КМ1
      Высота, м
      38.34
      Тип секций
      разборные на болтах
      Соединение секций
      накладками на болтах
      Конструктивное исполнение
      на оттяжках
      Климатическое исполнение
      северное
      Ветровой район
      II-III
      Промежуточная косогорная опора П500н-1-1.04, чертеж 7.500.01-КМ1 С245 горячее оцинкование
      Промежуточная косогорная опора П500н-1-1.04, чертеж 7.500.01-КМ1 С245 горячее оцинкование
      Под заказ
      Арт. 12960
      Подробнее
      Запросить цену
      Тип
      П500н
      Конструкция
      из углового проката
      Обозначение
      П500н-1-1.04
      Вес, кг
      9364
      Назначение
      Промежуточная косогорная
      Валюта для цены
      RUB
      Базовая единица
      шт
      Исполнение
      рядовое
      Марка стали
      С245
      Антикоррозионное покрытие
      горячее оцинкование
      Класс напряжения
      500 кВ
      Количество цепей
      Одноцепная
      Типовой проект
      7.500.01-КМ1
      Высота, м
      38.34
      Тип секций
      разборные на болтах
      Соединение секций
      накладками на болтах
      Конструктивное исполнение
      на оттяжках
      Климатическое исполнение
      рядовое
      Ветровой район
      II-III
      Анкерно-угловая опора У330н-2т+9, чертеж 7.330.01-КМ4 С345 горячее оцинкование
      Анкерно-угловая опора У330н-2т+9, чертеж 7.330.01-КМ4 С345 горячее оцинкование
      Под заказ
      Арт. 12944
      Подробнее
      Запросить цену
      Тип
      У330н
      Конструкция
      из углового проката
      Обозначение
      У330н-2т+9
      Вес, кг
      40862
      Назначение
      Анкерно-угловая
      Валюта для цены
      RUB
      Базовая единица
      шт
      Исполнение
      повышенное
      Марка стали
      С345
      Антикоррозионное покрытие
      горячее оцинкование
      Класс напряжения
      330 кВ
      Количество цепей
      Двухцепная
      Типовой проект
      7.330.01-КМ4
      Высота, м
      47
      Тип секций
      разборные на болтах
      Соединение секций
      накладками на болтах
      Конструктивное исполнение
      свободностоящая
      Климатическое исполнение
      северное
      Ветровой район
      II-IV
      Анкерно-угловая опора У330н-2т+9, чертеж 7.330.01-КМ4 С245 горячее оцинкование
      Анкерно-угловая опора У330н-2т+9, чертеж 7.330.01-КМ4 С245 горячее оцинкование
      Под заказ
      Арт. 12944
      Подробнее
      Запросить цену
      Тип
      У330н
      Конструкция
      из углового проката
      Обозначение
      У330н-2т+9
      Вес, кг
      40862
      Назначение
      Анкерно-угловая
      Валюта для цены
      RUB
      Базовая единица
      шт
      Исполнение
      повышенное
      Марка стали
      С245
      Антикоррозионное покрытие
      горячее оцинкование
      Класс напряжения
      330 кВ
      Количество цепей
      Двухцепная
      Типовой проект
      7.330.01-КМ4
      Высота, м
      47
      Тип секций
      разборные на болтах
      Соединение секций
      накладками на болтах
      Конструктивное исполнение
      свободностоящая
      Климатическое исполнение
      рядовое
      Ветровой район
      II-IV
      Промежуточная опора П330н-2т+3.0 (IV в.р.), чертеж 7.330.01-КМ2 С345 горячее оцинкование
      Промежуточная опора П330н-2т+3.0 (IV в.р.), чертеж 7.330.01-КМ2 С345 горячее оцинкование
      Под заказ
      Арт. 12910
      Подробнее
      Запросить цену
      Тип
      П330н
      Конструкция
      из углового проката
      Обозначение
      П330н-2т+3.0 (IV в.р.)
      Вес, кг
      14006
      Назначение
      Промежуточная
      Валюта для цены
      RUB
      Базовая единица
      шт
      Исполнение
      повышенное
      Марка стали
      С345
      Антикоррозионное покрытие
      горячее оцинкование
      Класс напряжения
      330 кВ
      Количество цепей
      Двухцепная
      Типовой проект
      7.330.01-КМ2
      Высота, м
      48.3
      Тип секций
      разборные на болтах
      Соединение секций
      накладками на болтах
      Конструктивное исполнение
      свободностоящая
      Климатическое исполнение
      северное
      Ветровой район
      IV
      Промежуточная опора П330н-2т+3.0 (IV в.р.), чертеж 7.330.01-КМ2 С245 горячее оцинкование
      Промежуточная опора П330н-2т+3.0 (IV в.р.), чертеж 7.330.01-КМ2 С245 горячее оцинкование
      Под заказ
      Арт. 12910
      Подробнее
      Запросить цену
      Тип
      П330н
      Конструкция
      из углового проката
      Обозначение
      П330н-2т+3.0 (IV в.р.)
      Вес, кг
      14006
      Назначение
      Промежуточная
      Валюта для цены
      RUB
      Базовая единица
      шт
      Исполнение
      повышенное
      Марка стали
      С245
      Антикоррозионное покрытие
      горячее оцинкование
      Класс напряжения
      330 кВ
      Количество цепей
      Двухцепная
      Типовой проект
      7.330.01-КМ2
      Высота, м
      48.3
      Тип секций
      разборные на болтах
      Соединение секций
      накладками на болтах
      Конструктивное исполнение
      свободностоящая
      Климатическое исполнение
      рядовое
      Ветровой район
      IV
      Промежуточная опора П330н-1пг+6.0 (II-III в.р.), чертеж 7.330.01-КМ1 С345 горячее оцинкование
      Промежуточная опора П330н-1пг+6.0 (II-III в.р.), чертеж 7.330.01-КМ1 С345 горячее оцинкование
      Под заказ
      Арт. 12884
      Подробнее
      Запросить цену
      Тип
      П330н
      Конструкция
      из углового проката
      Обозначение
      П330н-1пг+6.0 (II-III в.р.)
      Вес, кг
      11068
      Назначение
      Промежуточная
      Валюта для цены
      RUB
      Базовая единица
      шт
      Исполнение
      повышенное
      Марка стали
      С345
      Антикоррозионное покрытие
      горячее оцинкование
      Класс напряжения
      330 кВ
      Количество цепей
      Одноцепная
      Типовой проект
      7.330.01-КМ1
      Высота, м
      46.2
      Тип секций
      разборные на болтах
      Соединение секций
      накладками на болтах
      Конструктивное исполнение
      свободностоящая
      Климатическое исполнение
      северное
      Ветровой район
      II-III
      Промежуточная опора П330н-1пг+6.0 (II-III в.р.), чертеж 7.330.01-КМ1 С245 горячее оцинкование
      Промежуточная опора П330н-1пг+6.0 (II-III в.р.), чертеж 7.330.01-КМ1 С245 горячее оцинкование
      Под заказ
      Арт. 12884
      Подробнее
      Запросить цену
      Тип
      П330н
      Конструкция
      из углового проката
      Обозначение
      П330н-1пг+6.0 (II-III в.р.)
      Вес, кг
      11068
      Назначение
      Промежуточная
      Валюта для цены
      RUB
      Базовая единица
      шт
      Исполнение
      повышенное
      Марка стали
      С245
      Антикоррозионное покрытие
      горячее оцинкование
      Класс напряжения
      330 кВ
      Количество цепей
      Одноцепная
      Типовой проект
      7.330.01-КМ1
      Высота, м
      46.2
      Тип секций
      разборные на болтах
      Соединение секций
      накладками на болтах
      Конструктивное исполнение
      свободностоящая
      Климатическое исполнение
      рядовое
      Ветровой район
      II-III
      Промежуточная опора П330н-1т-6.0 (II-III в.р.), чертеж 7.330.01-КМ1 С345 горячее оцинкование
      Промежуточная опора П330н-1т-6.0 (II-III в.р.), чертеж 7.330.01-КМ1 С345 горячее оцинкование
      Под заказ
      Арт. 12864
      Подробнее
      Запросить цену
      Тип
      П330н
      Конструкция
      из углового проката
      Обозначение
      П330н-1т-6.0 (II-III в.р.)
      Вес, кг
      7735
      Назначение
      Промежуточная
      Валюта для цены
      RUB
      Базовая единица
      шт
      Исполнение
      пониженное
      Марка стали
      С345
      Антикоррозионное покрытие
      горячее оцинкование
      Класс напряжения
      330 кВ
      Количество цепей
      Одноцепная
      Типовой проект
      7.330.01-КМ1
      Высота, м
      34.2
      Тип секций
      разборные на болтах
      Соединение секций
      накладками на болтах
      Конструктивное исполнение
      свободностоящая
      Климатическое исполнение
      северное
      Ветровой район
      II-III
      Загрузить еще
      1 ... 5 6 7 8 9 ... 24
      Каталог
      • Круг металлический
        • Автоматный круг
        • Быстрорежущий круг
        • Валковый круг
        • Жаропрочный круг
        • Круги из сплавов
          • Бронзовый круг
          • Латунный круг
        • Круги калиброванные
        • Круги цветных металлов
          • Алюминиевый круг
          • Дюралевый круг
          • Медный круг
          • Свинцовый круг
          • Титановый круг
        • Низколегированный круг
        • Подшипниковый круг
        • Рессорно-пружинный круг
        • Стальной круг
        • Чугунный круг
        • Штамповой круг
        • Электротехнический круг
      • Металлический лист
        • Асбест листовой
        • Листовая сталь
          • Быстрорежущий лист
          • Жаропрочный лист
          • Жесть
          • Кислотостойкий лист
          • Лист с полимерным покрытием
          • Лист стали
          • Стальной гофрированный лист
          • Стальной перфорированный лист
          • Стальной просечно-вытяжной лист
          • Стальной профилированный лист
            • Для забора
            • Для кровли
            • Для фасада
            • Оцинкованный
            • Стеновой
            • Универсальный
          • Стальной рифленый лист
          • Судовой лист
        • Листы из сплавов
          • Бронзовый лист
          • Латунный лист
          • Прецизионный лист
          • Тугоплавкий лист
        • Листы износостойкие
        • Листы полимерные
          • АБС-пластик листовой
          • Винипласт листовой
          • Гетинакс листовой
          • Капролон листовой
          • Лист оргстекла
          • Лист ПЭТ (полиэтилентерефталат)
          • Миканит листовой
          • Паронит листовой
          • Полиацеталь листовой
          • Полистирол листовой
          • Полиуретан листовой
          • Стеклопластик листовой
          • Стеклотекстолит листовой
          • Текстолит листовой
          • Эбонит листовой
        • Листы цветных металлов
          • Алюминиевый лист гладкий
          • Алюминиевый перфорированный лист
          • Алюминиевый рифленый лист
          • Анодированный лист
          • Вольфрамовый лист
          • Дюралевый лист
          • Индиевый лист
          • Кадмиевый лист
          • Медный лист
          • Молибденовый лист
          • Ниобиевый лист
          • Свинцовый лист
          • Танталовый лист
          • Титановый лист
          • Циркониевый лист
        • Хризотилцементные листы (шифер)
        • Чугунный лист
      • Металлоконструкции
        • Мачты освещения и молниеотводы
          • Железобетонные мачты освещения
            • Мачты осветительные серия 3.501.1-155
            • Мачты осветительные серия 3.501.9-158
            • Молниеотводы МЖ серия 3.407.9-172
            • Прожекторные мачты ПМЖ серия 3.407.9-172
          • Стальные мачты освещения из углового профиля
            • Антенный молниеотвод АМ проект А105
            • Мачты осветительные серия 3.501.2-123
            • Молниеотводы МС серия 3.407.9-172
            • Прожекторные мачты ПМС серия 3.407.9-172
            • Прожекторные мачты ПМС серия РЛ/373-399
            • Стержневой молниеотвод СМ проект А31-95
          • Стальные многогранные и трубчатые мачты освещения
            • Мачты освещения с мобильной короной
            • Мачты освещения с молниеприемником
            • Мачты освещения со стационарной решеткой или короной
            • Многогранные молниеотводы
        • Металлоконструкции по чертежу
        • Опоры контактной сети железных дорог
          • Лестницы с ограждением
            • Лестницы жестких поперечин
            • Лестницы светофорного мостика
          • Ригели жестких поперечин контактной сети
            • Ригели без освещения проект №5254
            • Ригели без освещения проект №6458и
            • Ригели с освещением проект №5254
            • Ригели с освещением проект №6458и
          • Светофорные мостики
            • Консоли светофоров
            • Люлька смотровая
            • Перильное ограждение
            • Ригели светофорных мостиков
          • Стойки опор контактной сети
            • Железобетонные мачты светофоров типа МСЦ, МСНЦ
            • Железобетонные стойки опор контактной сети
            • Железобетонные стойки опор линий автоблокировки
            • Металлические стойки жестких поперечин и опор контактной сети
            • Металлические стойки опор линий автоблокировки
          • Узлы крепления конструкций
            • Консольные столики
            • Оголовки
          • Фундаменты опор контактной сети
            • Винтовые сваи и анкеры опор КС
            • Железобетонные фундаменты и анкеры опор КС
            • Лежни и опорные плиты
            • Металлические фундаменты и анкеры опор КС
            • Фундаменты мачт светофоров
        • Опоры ЛЭП
          • Железобетонные опоры ЛЭП
            • Металлоконструкции железобетонных опор
            • Новые железобетонные опоры
            • Стойки железобетонные вибрированные
            • Стойки железобетонные центрифугированные
            • Стойки железобетонные центрифугированные разборные
          • Металлические опоры ЛЭП
            • Металлические решетчатые опоры
            • Металлические решетчатые опоры новой унификации
            • Стальные многогранные опоры
        • Опоры освещения
        • Порталы ОРУ
        • Складские и логистические
        • Строительные
        • Фундаменты опор ЛЭП
      • Метизы
        • Болты БСР ГОСТ 28778-90
        • Болты высокопрочные ГОСТ Р 52644-2006 (ГОСТ 22353-77)
        • Гайки высокопрочные ГОСТ Р 52645-2006 (ГОСТ 22354-77)
        • Гайки по ГОСТ и DIN
        • Шайбы высокопрочные ГОСТ Р 52646-2006 (ГОСТ 22355-77)
        • Шайбы ГОСТ и DIN
        • Шпильки
        • Шпильки резьбовые собственного производства
      • Сетки
        • Декоративные сетки
          • Архитектурно-фасадная сетка
          • Металлические шторы
          • Сетка для ламинации
          • Тросиковая декоративная сетка
        • Каркасы, сетки по чертежу
        • Сетка из цветных металлов
          • Сетка бронзовая
          • Сетка вольфрамовая
          • Сетка латунная
          • Сетка магниевая
          • Сетка медная
          • Сетка молибденовая
          • Сетка никелевая
          • Сетка нихромовая
          • Сетка фехралевая
          • Сетка циркониевая
        • Сетка металлическая
          • Сетка плетеная в ПВХ АЖУР
        • Сетка нержавеющая
          • Сетка нержавеющая ГОСТ 3826-82
          • Сетка нержавеющая для сепарирования (мельничная)
          • Сетка нержавеющая зарубежной классификации mesh
          • Сетка нержавеющая из троса
          • Сетка нержавеющая конвейерная ТУ-14-4-460-88
          • Сетка нержавеющая сварная в картах
          • Сетка нержавеющая сварная в рулонах
          • Сетка нержавеющая тканая микронная
          • Сетка рифленая из нержавеющей проволоки
          • Сетка тканая нержавеющая
          • Сетка тканая нержавеющая саржевого плетения
        • Сетки из стали
          • Габионная сетка
          • Габионы
          • Канилированная сетка
          • Мелкая сетка
          • Мельничная сетка
          • Саржевая сетка
          • Сетка крученая
          • Сетка Манье
          • Сетка рабица
            • Сетка рабица неоцинкованная
            • Сетка рабица оцинкованная
            • Сетка рабица с полимерным покрытием ПВХ
          • Сетка рукавная
          • Сетка стальная сварная
            • Сетка сварная из оцинкованной проволоки ВР-1
            • Сетка сварная неоцинкованная
            • Сетка сварная нержавеющая
            • Сетка сварная оцинкованная
            • Сетка сварная с полимерным покрытием (ПВХ)
          • Сетка щелевая
          • Стальная арматурная сетка
          • Стальная дорожная сетка
          • Стальная кладочная сетка
            • Сетка сварная кладочная 3Вр1
            • Сетка сварная кладочная 4Вр1
          • Стальная плетеная сетка
          • Стальная просечно-вытяжная сетка
          • Стальная рифленая сетка
          • Стальная сетка
          • Стальная сетка семянка
          • Стальная тканая сетка
            • Сетка тканая неоцинкованная
            • Сетка тканая оцинкованная
          • Стальная фильтровая сетка
            • Сетка фильтровая по ТУ
            • Сетка фильтровая полотняного переплетения
            • Сетка фильтровая саржевого двойного переплетения
            • Сетка фильтровая саржевого переплетения
          • Стальная штукатурная сетка
            • Сетка тканая штукатурная нержавеющая
            • Сетка тканая штукатурная оцинкованная
          • Тросиковая сетка
      • Сталь
        • Арматура в бухтах
        • Арматура в прутках
        • Биметаллическая проволока
        • Двутавровые балки
          • Специальные балки
        • Инструментальная сталь
          • Быстрорежущая сталь
            • Быстрорежущая полоса
            • Быстрорежущая проволока
            • Быстрорежущий квадрат
          • Круг инструментальный
            • Быстрорежущий круг
        • Листовая сталь
          • Бронелист
          • Быстрорежущий лист
          • Конструкционный лист
            • Автоматный лист
            • Электротехнический лист
        • Нержавеющий прокат
          • Втулка нержавеющая
          • Листы из нержавеющей стали
            • Гладкий нержавеющий лист
            • Лист нержавеющий декоративный
            • Нержавеющий перфорированный лист
            • Нержавеющий пищевой лист
            • Нержавеющий просечно-вытяжной лист
            • Нержавеющий рифленый лист
          • Нержавеющая бандажная лента
          • Нержавеющая заготовка
          • Нержавеющая круглая поковка
          • Нержавеющая лента
          • Нержавеющая монтажная лента
          • Нержавеющая перфорированная лента
          • Нержавеющая плита
          • Нержавеющая полоса
          • Нержавеющая проволока
          • Нержавеющая проволочная сетка
            • Нержавеющая рифленая сетка
            • Нержавеющая тканая сетка
            • Нержавеющая фильтровая сетка
            • Нержавеющая щелевая сетка
            • Сетка пищевая нержавеющая
            • Сетка плетеная нержавеющая
            • Сетка просечная нержавеющая
          • Нержавеющая пружинная проволока
          • Нержавеющая фольга
          • Нержавеющие профили
            • L-образный профиль нержавеющий
            • Z-образный профиль нержавеющий
            • Г-образный профиль нержавеющий
            • П-образный профиль нержавеющий
            • Профиль нержавеющий квадратный
            • С-образный профиль нержавеющий
            • Т-образный профиль нержавеющий
          • Нержавеющие фитинги
            • Бочонок нержавеющий
            • Вентили нержавеющие
            • Задвижки нержавеющие
            • Клапаны нержавеющие
            • Контргайки нержавеющие
            • Крестовины нержавеющие
            • Муфты нержавеющие
            • Нержавеющая заглушка
            • Нержавеющие краны
            • Нержавеющий ниппель
            • Нержавеющий отвод
            • Нержавеющий переход
            • Нержавеющий тройник
            • Нержавеющий фланец
            • Пресс-фитинги
            • Сгоны нержавеющие
          • Нержавеющий канат
          • Нержавеющий квадрат
          • Нержавеющий круг
          • Нержавеющий пруток
          • Нержавеющий рулон
          • Нержавеющий уголок
          • Нержавеющий шестигранник
          • Пищевая проволока
          • Пищевой круг
          • Порошок нержавеющий
          • Трубы из нержавеющей стали
            • Нержавеющая бесшовная труба
            • Нержавеющая гофрированная труба
            • Нержавеющая капиллярная трубка
            • Нержавеющая обсадная труба
            • Нержавеющая оребренная труба
            • Нержавеющая перфорированная труба
            • Нержавеющая пищевая труба
            • Нержавеющая профильная труба
            • Нержавеющая труба
            • Нержавеющая труба ППУ
            • Нержавеющая электросварная труба
          • Швеллер нержавеющий
          • Шина нержавеющая
        • Оцинкованная сталь
          • Втулка оцинкованная
          • Канат оцинкованный
          • Катанка оцинкованная
          • Оцинкованная лента
          • Оцинкованная перфорированная лента
          • Оцинкованная плита
          • Оцинкованная полоса
          • Оцинкованная проволока
          • Оцинкованная просечно-вытяжная сетка
          • Оцинкованная сварная сетка
          • Оцинкованная сетка
          • Оцинкованная сетка рабица
          • Оцинкованная тканая сетка
          • Оцинкованная шина
          • Оцинкованные трубы
            • Круглая оцинкованная труба
            • Оцинкованная гофрированная труба
            • Оцинкованная квадратная труба
            • Оцинкованная овальная труба
            • Оцинкованная профильная труба
            • Оцинкованная прямоугольная труба
            • Труба ВГП (водогазопроводная)
            • Труба вентиляционная оцинкованная
            • Труба водосточная оцинкованная
          • Оцинкованный квадрат
          • Оцинкованный круг
          • Оцинкованный лист
          • Оцинкованный перфорированный лист
          • Оцинкованный профилированный лист
          • Оцинкованный профиль
          • Оцинкованный пруток
          • Оцинкованный рулон
          • Оцинкованный уголок
          • Оцинкованный швеллер
          • Оцинкованный шестигранник
          • Сетка кладочная оцинкованная
          • Сетка плетеная оцинкованная
          • Фитинги оцинкованные
            • Бочонок оцинкованный
            • Заглушки оцинкованные
            • Контргайки оцинкованные
            • Муфты оцинкованные
            • Ниппели оцинкованные
            • Отводы оцинкованные
            • Переходы оцинкованные
            • Сгоны оцинкованные
            • Тройники оцинкованные
            • Фланцы оцинкованные
          • Штрипс оцинкованный
        • Прокат из конструкционных сталей
          • Автоматная сталь
            • Автоматная плита
            • Автоматный квадрат
            • Автоматный шестигранник
          • Круг конструкционный
            • Автоматный круг
            • Электротехнический круг
          • Электротехническая сталь
            • Электротехническая лента
            • Электротехническая полоса
            • Электротехнический рулон
        • Стальной трос
          • Буровой канат
          • Канат грузоподъемный (грузовой)
        • Стальные профили
          • Г-образный профиль стальной
        • Стальные фитинги
          • Бочонок стальной
          • Хомуты стальные
        • Судостроительная сталь
          • Двери судовые
          • Судовая арматура
            • Грязевые коробки
        • Центраторы колонн
      • Трубы
        • Асбестовая труба (асбестоцементная)
          • Для газового котла
        • Биметаллическая оребренная труба
        • Биметаллические трубы
        • Жаропрочные трубы
          • Для дымохода
        • Колонковая труба
        • Конструкционная труба
        • Котельная труба
        • Крекинговая труба
        • Магистральная труба
        • Обсадная труба
        • Прецизионная труба
        • Реакционные трубы
        • Стальная бесшовная труба
        • Стальная бурильная труба
        • Стальная газлифтная труба
        • Стальная газовая труба
        • Стальная гофрированная труба
        • Стальная нефтяная труба
        • Стальная овальная труба
        • Стальная оребренная труба
        • Стальная плоскоовальная труба
        • Стальная профильная труба
        • Стальная прямоугольная труба
        • Стальная труба в ППМ изоляции
        • Стальная труба круглая
        • Стальная труба отопления
        • Стальная электросварная труба
        • Труба в ВУС изоляции
        • Труба в ППУ изоляции
        • Труба НКБ
        • Труба НКВ
        • Труба НКМ
        • Труба НКТ
        • Труба сварная
        • Труба стальная квадратная
        • Труба ЦПП
        • Хромированная труба
        • Цельнотянутая труба
      • Цветные металлы
        • Алюминиевый прокат
          • Алюминиевая катанка
          • Алюминиевая лента
          • Алюминиевая пластина
          • Алюминиевая плита
          • Алюминиевая полоса
          • Алюминиевая проволока
          • Алюминиевая пудра
          • Алюминиевая сварочная проволока
          • Алюминиевая сетка
          • Алюминиевая труба
            • Алюминиевая бурильная труба
            • Алюминиевая круглая труба
            • Алюминиевая прессованная труба
            • Алюминиевые профильные трубы
          • Алюминиевая фольга
          • Алюминиевая чушка
          • Алюминиевая шина
            • Электротехническая
          • Алюминиевые профили
            • Г-образный профиль алюминиевый
          • Алюминиевый гладкий лист
          • Алюминиевый двутавр
          • Алюминиевый круг
          • Алюминиевый перфорированный лист
          • Алюминиевый порошок
          • Алюминиевый пруток
          • Алюминиевый рифленый лист
          • Алюминиевый рулон
          • Алюминиевый тавр
          • Алюминиевый уголок
          • Алюминиевый швеллер
          • Алюминиевый шестигранник
          • Анодированный прокат
            • Анодированная полоса (лента)
            • Анодированная труба
            • Анодированный двутавр
            • Анодированный лист
            • Анодированный тавр
            • Анодированный уголок
            • Анодированный швеллер
          • Гильзы алюминиевые
          • Дюралевый прокат
            • Дюралевая лента
            • Дюралевая плита
            • Дюралевая полоса
            • Дюралевая проволока
            • Дюралевая труба
            • Дюралевая чушка
            • Дюралевый квадрат
            • Дюралевый круг
            • Дюралевый лист
            • Дюралевый пруток
            • Дюралевый уголок
            • Дюралевый швеллер
            • Дюралевый шестигранник
          • Электрокорунд
        • Бронзовый прокат
          • Бронзовая лента
          • Бронзовая плита
          • Бронзовая полоса
          • Бронзовая проволока
          • Бронзовая пудра
          • Бронзовая сетка
          • Бронзовая труба
          • Бронзовая фольга
          • Бронзовая чушка
          • Бронзовые фитинги
            • Бронзовая втулка
            • Бронзовый вкладыш
            • Бронзовый клапан
          • Бронзовый квадрат
          • Бронзовый круг
          • Бронзовый лист
          • Бронзовый порошок
          • Бронзовый пруток
          • Бронзовый шестигранник
        • Гафний
          • Гафниевая полоса
          • Гафниевая проволока
          • Гафниевая фольга
          • Гафниевый порошок
          • Гафниевый пруток
        • Латунный прокат
          • Латунные фитинги
            • Латунные аксиальные фитинги
              • Аксиальная муфта латунная
              • Аксиальный переходник латунный
            • Футорки латунные
          • Чушки латунные
        • Медный прокат
          • Трубы из меди
            • Газовая медная труба
        • Цинковый прокат
          • Цинковая проволока
          • Цинковая фольга
          • Цинковая чушка
          • Цинковый анод
          • Цинковый лист
          • Цинковый порошок
        • Цирконий
          • Циркониевая лента
          • Циркониевая полоса
          • Циркониевая проволока
          • Циркониевая труба
          • Циркониевый катод
          • Циркониевый лист
          • Циркониевый порошок
          • Циркониевый пруток
      • Чугун
        • Гидранты пожарные чугунные
        • Дождеприемники чугунные
        • Чугунная водосточная воронка
        • Чугунная дробь
        • Чугунная плита
        • Чугунные консоли
        • Чугунные тигли
        • Чугунные трубы
        • Чугунные фитинги
          • Адаптеры чугунные
          • Демонтажные вставки чугунные
          • Фильтры чугунные
          • Футорки чугунные
          • Хомуты ремонтные чугунные
          • Чугунная задвижка
          • Чугунная крестовина
          • Чугунная муфта
          • Чугунная пробка
          • Чугунное колено
          • Чугунные гайки
          • Чугунные пожарные подставки
          • Чугунный затвор
          • Чугунный клапан
          • Чугунный кран
          • Чугунный ниппель
          • Чугунный отвод
          • Чугунный патрубок
          • Чугунный тройник
          • Чугунный угольник
          • Чугунный фланец
        • Чугунный пруток
          • Чугунный круг
        • Чушка чугунная
          • Антифрикционный чугун
          • Чугун с вермикулярным графитом
          • Чугун с шаровидным графитом
      • Благородные металлы
        • Аноды золотые
        • Аноды из палладия
        • Иридиевая проволока
        • Иридиевые слитки
        • Серебро в гранулах
        • Фольга из иридия
        • Фольга из родия
        • Фольга серебро
      • Закладные детали
        • Анкерная группа
          • Анкерная тяга AT-d-l; ATл-d-l по серии 3.505.1-15.4 51000; 52000
          • Анкерная тяга AT-d-S 3.505.1-15.4 50000
          • Анкерная тяга ATс-d-l 3.505.1-15.4 53000
          • Анкерные блоки
          • Анкерные болты
            • Фундаментные болты ГОСТ 24379.1-2012
              • Комплектация для болтов ГОСТ 24379.1-2012
              • Фундаментные болты (1.1.) –Тип 1. Исполнение 1
              • Фундаментные болты (1.2.) –Тип 1. Исполнение 2
              • Фундаментные болты (2.1.) –Тип 2. Исполнение 1
              • Фундаментные болты (2.2.) –Тип 2. Исполнение 2
              • Фундаментные болты (2.3.) –Тип 2. Исполнение 3
              • Фундаментные болты (3.1.) –Тип 3. Исполнение 1
              • Фундаментные болты (3.2.) –Тип 3. Исполнение 2
              • Фундаментные болты (4.1.) –Тип 4. Исполнение 1
              • Фундаментные болты (4.2.) –Тип 4. Исполнение 2
              • Фундаментные болты (4.3.) –Тип 4. Исполнение 3
              • Фундаментные болты (5.1.) – Тип 5. Исполнение 1
              • Фундаментные болты (5) – Тип 5
              • Фундаментные болты (6.1.) –Тип 6. Исполнение 1
              • Фундаментные болты (6.2.) –Тип 6. Исполнение 2
              • Фундаментные болты (6.3.) –Тип 6. Исполнение 3
          • Анкерные плиты от м16 до м90 ГОСТ 24379.1-2012 (ГОСТ 24379.1-80)
        • Закладные детали по сериям
          • Опоры
          • Петли
          • Хомуты
        • Закладные детали по чертежу
        • Закладные изделия МН
          • Закладные изделия МН 101-164
          • Закладные изделия МН 201-228
          • Закладные изделия МН 301-323
          • Закладные изделия МН 401-418
          • Закладные изделия МН 501-571
          • Закладные изделия МН 601-617
          • Закладные изделия МН 701-795
          • Закладные изделия МН 801-834
        • Пластины и косынки
      • Полимеры
        • Асботекстолит
        • Безасбестовый картон
        • Гетинакс
          • Гетинакс листовой
          • Гетинакс фольгированный
        • Дюростон
        • Калибровочный воск
        • Капролон
          • Капролон пластина
          • Капролон плита
          • Капролон стержень
          • Капролон экструзионный стержень
          • Капролоновая втулка
        • Картон
        • Конструкционный пластик
          • HPL пластик
          • АБС-пластик
            • АБС-пластик листовой
          • Винипласт
          • Полиамид
          • Полиацеталь
          • Полиацеталь листовой
          • Полиуретан
          • Полиэтилен
            • Газовая полиэтиленовая труба
            • ПЭ адаптеры
          • Текстолит
          • Фторопласт
            • Фторопласт листовой
            • Фторопластовая лента
            • Фторопластовая пластина
            • Фторопластовая пленка
            • Фторопластовая прокладка
            • Фторопластовая трубка
            • ФУМ
              • ФУМ жгут квадратный
              • ФУМ жгут круглый
              • ФУМ лента
        • Лакоткань
        • Лист пенопласта
        • Оргстекло
          • Блок оргстекла
          • Стержень оргстекла
          • Трубы из оргстекла
        • Паронит
          • Паронит листовой
        • ПВХ (поливинилхлорид)
          • Пластикат
          • Плиты ПВХ (поливинилхлорид)
          • Пруток ПВХ
        • Пластиковый стержень
          • Фторопласт стержень
          • Эбонитовый стержень
        • Поликарбонат
        • Полимерные фитинги
          • Втулка пластиковая (полимерная)
            • Фторопластовые втулки
          • Хомуты ПНД
        • Полипропилен
          • Ворс полипропиленовый
          • Ленты полипропиленовые
          • Нити полипропиленовые
          • Полипропиленовая труба
          • Полипропиленовые рулоны
          • Фиброволокно (фибра полипропиленовая)
          • Фильтры полипропиленовые
          • Хомуты полипропиленовые
          • Шпагаты полипропиленовые
        • Полиэтилентерефталат
          • Полиэтилентерефталат гранулы
          • Полиэтилентерефталат пруток
          • Полиэтилентерефталатная пленка
        • Синтофлекс
        • Слопласт
        • Слюдопласт
        • Стеклолакоткань
        • Стекломиканит
        • Стеклопластик
        • Стеклотекстолит
          • Стеклотекстолит стержень
          • Стеклотекстолит фольгированный
        • Стеклоткань рулонная
        • Фторлакоткань
        • Эбонит
          • Эбонитовая пластина
          • Эбонитовая трубка
        • Эмаль
      • Оборудование
        • Вентиляционное оборудование
          • Аэраторы
          • Запчасти для вентиляционного оборудования
            • Бункерные устройства
            • Гибкие вставки
        • Горнодобывающее оборудование
          • Буровое оборудование
            • Буровые насосы
            • Инструменты для бурового оборудования
              • Буровой гидравлический ключ
            • Очистительное оборудование
              • Буровое вибросито
              • Дегазаторы
            • Силовое оборудование
              • Дизель-генераторные установки
            • Спуско-подъемное оборудование
              • Буровые кронблоки
              • Двигатели буровых установок
          • Карьерное оборудование
            • Дефлекторы карьерной техники
          • Углеразмольное оборудование
            • Била стальные
            • Отливки броней
        • Детали оборудования
          • Бандажи сталь
          • Блюмы
          • Болты
          • Гайки шестигранные
          • Графитовые прокладки
          • Эксцентриковые валы
        • Дробильно-размольное оборудование
          • Дробящие плиты щековых дробилок
        • Машиностроение
          • Профили специального назначения
            • Башмак гусеницы трактора
        • Насосы
          • Дренажные насосы
          • Насосы для водоснабжения
            • Бытовые насосы
            • Насосы для водяных систем
              • Бустерные насосы
              • Циркуляционные насосы
          • Насосы для нефтепродуктов
            • Бензиновые насосы
            • Битумные насосы
          • Насосы специального назначения
            • Бочковые насосы
          • Центробежные горизонтальные насосы
        • Оборудование для канализации
          • Дренажная гофрированная труба
          • Дренажная керамическая труба
          • Дренажная перфорированная труба
          • Дренажная полимерная труба
          • Дренажная труба
        • Оборудование для литейного производства
          • Тигли для плавки
            • Графитовые тигли
        • Отопительное оборудование
          • Калориферы
            • Электрокалориферы
          • Теплообменники
            • Грязевики для системы отопления
        • Сварочное оборудование
          • Припои из металла
            • Фольга припоя
          • Электроды
        • Счетчики газа
          • Адаптеры для газового счетчика
            • Адаптер GSM
            • Адаптер RS
            • Адаптер USB
          • Акустический фильтр для газового счетчика
        • Электротехническое оборудование
          • Кабели
            • Кабель бронированный
            • Кабель гибкий
            • Слаботочный кабель
              • Кабель коаксиальный
      • Редкоземельные металлы
        • Гадолиний
        • Диспрозий
        • Европий
        • Индий
          • Индиевая проволока
          • Индиевая фольга
          • Индиевый лист
          • Индиевый пруток
          • Слиток индия
        • Иттербий
        • Иттрий
        • Церий
        • Эрбий
      • Сплавы
        • Прецизионные сплавы
          • Фехраль
            • Фехралевая проволока
        • Ферросплавы
          • Ферроалюминий
          • Ферробор
          • Феррованадий
          • Ферровольфрам
          • Ферромарганец
          • Ферромолибден
          • Феррониобий
          • Ферросера
          • Ферросиликомарганец
          • Ферросилиций
          • Ферротитан
          • Феррохром
      • Реактивы
        • Кислоты
          • Адипиновая кислота
          • Азотная кислота
          • Аминоуксусная кислота
          • Бензойная кислота
          • Борная кислота
          • Борфтористоводородная кислота
          • Фтористоводородная кислота
          • Фумаровая кислота
          • Хлорная кислота
        • Оксиды
          • Диоксид титана
          • Хромовый ангидрид
        • Органические соединения
          • Анилин
          • Ацетилацетон
          • Ацетонитрил
          • Бензол
          • Бензотриазол
          • Бутилацетат
          • Гексаметилентетрамин
          • Гептан
          • Гидрохинон
          • Деионизованная вода
          • Декстрин картофельный
          • Диметилглиоксим
          • Дифениламин
          • Диэтиламин
          • Диэтиловый эфир
          • Спирты
            • Бензиловый спирт
            • Бутиловый спирт
            • Глицерин
            • Диэтиленгликоль
            • Изобутиловый спирт
            • Изопропиловый спирт
            • Циклогексанол
          • Формалин технический
          • Этилендиамин
        • Особо чистые вещества
          • Аммиак водный осч
          • Аммоний фтористый
          • Графит порошковый
          • Диоксид титана осч
          • Изопропиловый спирт осч
          • Фтористоводородная кислота осч
          • Этиленгликоль
        • Соли
          • Квасцы
            • Алюмоаммонийные квасцы
            • Алюмокалиевые квасцы
            • Хромокалиевые квасцы
          • Соли алюминия
            • Фторид алюминия
            • Хлорид алюминия
          • Соли аммония
            • Ацетат аммония
            • Бензоат аммония
            • Бромид аммония
            • Гидрокарбонат аммония
            • Гидрофосфат аммония
            • Дихромат аммония
            • Йодид аммония
            • Формиат аммония
            • Фторид аммония
            • Хлорид аммония
            • Хромат аммония
            • Цитрат аммония
          • Соли бария
            • Ацетат бария
            • Хлорид бария
            • Хромат бария
          • Соли висмута
            • Хлорид висмута
          • Соли кадмия
            • Ацетат кадмия
            • Хлорид кадмия
          • Соли калия
            • Бромид калия
            • Гексацианоферрат калия
            • Дихромат калия
            • Йодат калия
            • Фторид калия
            • Хлорид калия
            • Хромат калия
            • Цитрат калия
          • Соли кальция
            • Гипохлорит кальция
            • Йодат кальция
            • Фторид кальция
            • Хлорид кальция
          • Соли кобальта
            • Ацетат кобальта
            • Хлорид кобальта
          • Соли лантана
            • Хлорид лантана
          • Соли лития
            • Бромид лития
            • Хлорид лития
          • Соли магния
            • Ацетат магния
            • Фторид магния
            • Хлорид магния
          • Соли марганца
            • Ацетат марганца
            • Хлорид марганца
          • Соли меди
            • Ацетат меди
            • Хлорид меди
          • Соли натрия
            • Ацетат натрия
            • Бензоат натрия
            • Бисульфит натрия
            • Бихромат натрия
            • Бромид натрия
            • Гидрофосфат натрия
            • Гипофосфит натрия
            • Гипохлорит натрия
            • Йодид натрия
            • Фторид натрия
            • Хлорид натрия
            • Цитрат натрия
          • Соли никеля
            • Хлорид никеля
          • Соли олова
            • Хлорид олова
          • Соли свинца
            • Ацетат свинца
            • Хлорид свинца
          • Соли стронция
            • Хлорид стронция
          • Соли цинка
            • Ацетат цинка
            • Фторид цинка
            • Хлорид цинка
            • Цинк фосфорнокислый
            • Цинк щавелевокислый
        • Фреон
        • Щёлочи
          • Гидроксид алюминия
          • Гидроксид бария
          • Гидроксид калия
          • Гидроксид кальция
          • Гидроксид лития
          • Гидроксид магния
          • Гидроксид натрия
      • Композиты
        • Алюминиевые композитные листы
        • Арамид (кевлар)
          • Арамидная ткань (кевларовая ткань)
          • Арамидные жгуты
          • Арамидные канаты
          • Арамидные нити
          • Арамидные шнуры
        • Графитовый стержень
        • Изофлекс
        • Компаунды
        • Композитный решетчатый настил
        • Лавитерм
        • Преформы
        • Углеродное волокно
        • Углеродные нити
      Доставка в любой регион РФ Доставка в любой регион РФ
      Компания
      О компании
      ГОСТы
      Сертификаты
      Производители
      Партнеры
      Вакансии
      Реквизиты
      Статьи
      Каталог
      Круг металлический
      Металлический лист
      Металлоконструкции
      Метизы
      Сетки
      Сталь
      Трубы
      +7 812 467-99-88
      +7 812 467-99-88 Офис СПБ
      Заказать звонок
      E-mail
      info@nial.group
      Адрес
      г. Санкт-Петербург, пр. Обуховской Обороны, д. 112, БЦ Вант, офис 224А
      Режим работы
      Пн. – Пт.: с 9:00 до 18:00
      Заказать звонок
      info@nial.group
      г. Санкт-Петербург, пр. Обуховской Обороны, д. 112, БЦ Вант, офис 224А
      © 2026 ТПК НИАЛ ГРУП
      Политика конфиденциальности
      KOSAS
      0

      Корзина

      Очистить корзину

      Ваша корзина пуста

      Исправить это просто: выберите в каталоге интересующий товар и нажмите кнопку «В корзину»
      В каталог
      Главная 0 Корзина Каталог Калькулятор Поиск Регион Кабинет Контакты

      Мы используем Cookie
      Файлы Cookie помогают работать сайту, показывать персонализированную рекламу и собирать аналитику. Вы можете принять все или выбрать только нужные.
      Подробнее в Политике использования Cookie

      Настройки использования Cookie

      Мы используем файлы Cookie, чтобы сайт работал стабильно, а также для улучшения пользовательского опыта, аналитики и персонализированной рекламы.

      Обязательные cookie включены всегда, так как они необходимы для функционирования сайта.

      Вы можете выбрать, какие категории cookie вы разрешаете использовать:

      Обязательные Cookie (не отключаются)

      Эти файлы обеспечивают базовые функции: вход в аккаунт, навигация, сохранение настроек. Без них сайт не может работать корректно.

      Аналитические Cookie

      Позволяют нам собирать обезличенную информацию о том, как вы используете сайт (например, через Яндекс.Метрику). Это помогает нам улучшать работу сайта.